EasyManua.ls Logo

Porter-Cable PXCMSAC420VW - Esquema de la Piezas

Porter-Cable PXCMSAC420VW
72 pages
Print Icon
To Next Page IconTo Next Page
To Next Page IconTo Next Page
To Previous Page IconTo Previous Page
To Previous Page IconTo Previous Page
Loading...
65 - SP
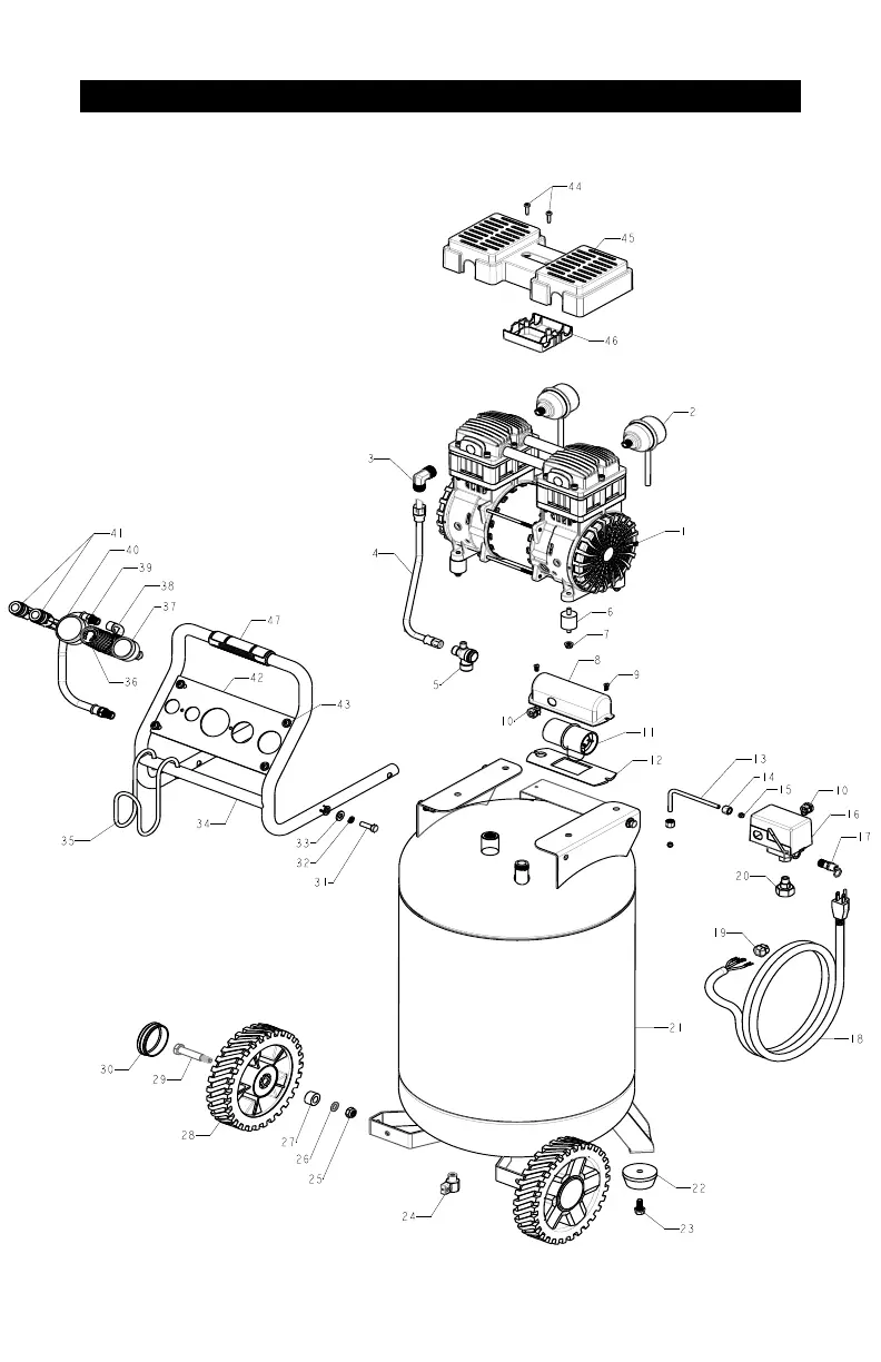
ESQUEMA DE LA PIEZAS
PXCMSAC420VW

Related product manuals