EasyManua.ls Logo

Potterton Combi 80 - Page 8

Potterton Combi 80
47 pages
Print Icon
To Next Page IconTo Next Page
To Next Page IconTo Next Page
To Previous Page IconTo Previous Page
To Previous Page IconTo Previous Page
Loading...
Installation Requirements - Page 8
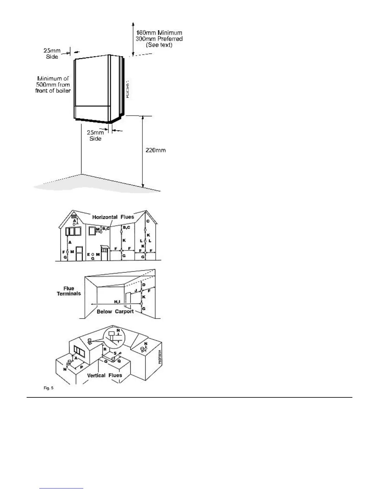
135° Off-set kits are available for both concentric and
twin tube.
A Pitched Roof Flashing kit and Flat Roof Flashing kit
are available for use with the vertical flue systems.
If a horizontal flue is sited less than 2 metres above a
balcony, above ground, or above a flat roof to which
people have access, a suitable terminal guard must be
fitted. This serves two purposes, to protect the terminal
against damage or interference and to protect passers-
by.
Note: Where a flue terminal is installed less than 1
metre from a plastic, or painted gutter, or 500 mm from
painted eaves, an aluminium shield 1 metre long, should
be fitted to the underside of the gutter or painted
surface. A suitable wall plate should be fitted to the
painted wall surface of a mobile home.
IMPORTANT: It is absolutely ESSENTIAL, to ensure
that products of combustion discharging from the
terminal cannot re-enter the building, or any other
adjacent building, through ventilators, windows, doors,
natural air infiltration, or forced ventilation/air
conditioning. If products of combustion are found to be
re-entering any building, the appliance MUST be turned
OFF IMMEDIATELY.
POSITION MIN. DISTANCE mm
A DIRECTLY BELOW AN OPENABLE
WINDOW, AIR VENT, OR ANY OTHER
VENTILATION OPENING 300
B BELOW GUTTER, DRAIN/SOIL PIPE 75
C BELOW EAVES 200
D BELOW A BALCONY/CARPORT ROOF 200
E FROM VERTICAL DRAIN PIPES AND
SOIL PIPES 75
F FROM INTERNAL OR EXTERNAL CORNERS 25
G ABOVE ADJACENT GROUND OR BALCONY
LEVEL 300
H FROM A SURFACE FACING THE TERMINAL 600
I FACING TERMINALS 1200
J FROM OPENING (DOOR/WINDOW) IN
CARPORT INTO DWELLING 1200
K VERTICALLY FROM A TERMINAL ON THE
SAME WALL 1500
L HORIZONTALLY FROM A TERMINAL ON
THE SAME WALL 300
M ADJACENT TO OPENING 300
N ABOVE ROOF LEVEL (TO BASE OF TERMINAL) 300
P FROM ADJACENT WALL TO FLUE 210
Q FROM INTERNAL CORNER TO FLUE 230
R BELOW EAVES OR BALCONY 600
S FROM FACING TERMINAL 1200

Table of Contents

Related product manuals