EasyManua.ls Logo

POWER DESIGNS TP340 - Page 26

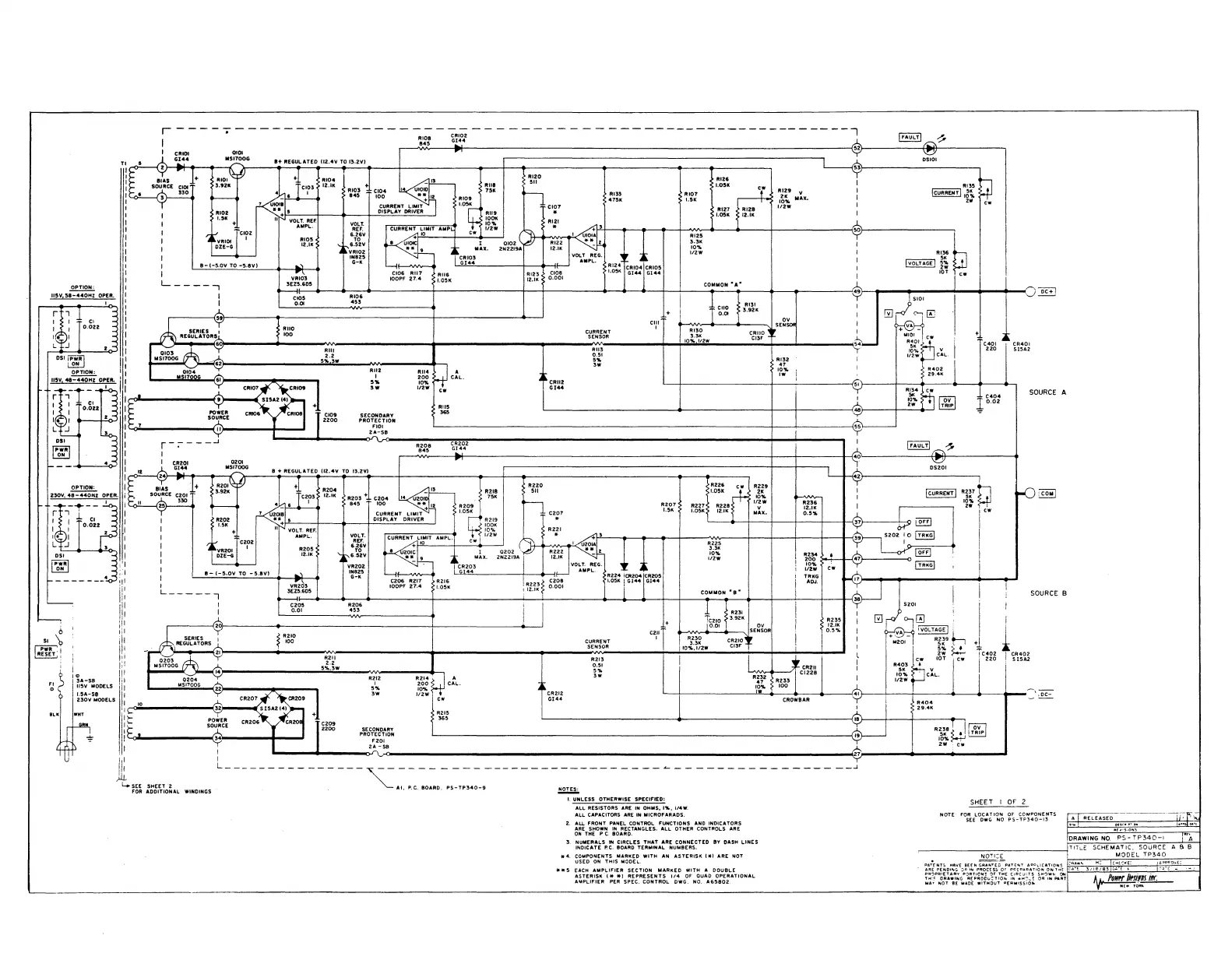
POWER DESIGNS TP340
32 pages
Print Icon
To Next Page IconTo Next Page
To Next Page IconTo Next Page
To Previous Page IconTo Previous Page
To Previous Page IconTo Previous Page
Loading...
r -
--
-
"';"
-
---
-
---
----
- - -
~l~---zRl~
--
- -
--
- - - - - -
--
------------------
---,
I
OIOI
l
845
:;;4
52
I CR10
0
o,+
..
oV
~l+REG:L'HO
l~:o:''0'3.z.I
·~
0
~
0
"'"
.,,,_
_____
~_so_oo---~
111
3.921
Cl03
12-.IK
+
~
Riii
l.051t c I Rl35 h
4 , 1
"a·~
~~:
R
109
75
11.
t-----i
:;~!
~-1~:
E
:ir
..
~x.
: lcuRRENTI
1
~:
f-£,.
~
7
ulOlii
CURRE
I
05-~K
1 112W I
I j
~~~:
~
1
~SYOLT.
RH'.
OISPLA
ru~
::~~
1
~J;~
~-~:
I
I I +
AMPL.
V,?ff
~
:?2~
* '
50>\--------
: I
'.l~,.o.....
Cl~2
ROOO
'lo6Y
T
AMP
tw
~
t~oi~
Rl25
b.
I
r.•
.,,
~
I
.f!Y
R122J
**- 2
3.!K
I
1i
:
~
12.IK
;~~ii
...
~~~:MAX.
2~~~~9A
12
..
IK
YO~TMP~~G.
+ A
II~~
:
R~~
1
:0,
I
8-l-5.0VT0-5.8Y)
-...)_
-II-
R!24CRIO~Rl05
I
lvoLTAGE]r~
I
~
.gg~~
:;.1;
1
~~·:11.
f
21
-~~
0
~1gg
1
t.05K
GI44
GI44
1
10T
cw
.£!!!Q!!.:. L
____
I
3EZ5.605
COMMON
"A"
491
\-
____
J_
1
...
_
00
_
0
__
...__
.....
_
....
_
115V
58-440HZ
OPER.
11
I
RIO&
I l ,
~--<>--+---'-<>-.
I:
I
cc:~
453
CllO ffl31 I
I
::II
RllO
Cl/!
+ I
O.OI
3.9211.
SE~~
:,
[YJ
0-;
(KJ
_..e\
""'"
'.'
000
,~~:~~.' ~ol~
"~~~,.-
~
O I l
o:!E:'_
'?
Ritt
"'
~:.~~
=~====
I I M
~
61
l
200
CAL.
~
CRll2
51
>---r--..----<>-~O--._,
~
Dc+l
.J
.
l
0<00 l
"'0'
220
Sl5A2
~...__._~,,_,,!I:
~'
0
":
.ti.
•oo•
H ,
~$~
00
%
""
,
0
,P
0
.l'
-r
·:1~~'1"
I,:
!
K,.,L,
~~SI5AOZl+I
CR009
::
o~";
~
GI++
l 0
"?;
['.j
~
I
C404
0.02
SOURCE
A
POWEii Cltl06 CRt08 CI09
SECONDARY
p
SOURCE
2200
PROTECTION
~
~
H
r-;-----1
R
208
CR202 I
~!.:)...,.
:.~:...."~
0
0'-..-+~--~·'~~&,..~
0
---.--..--.~~-------l--·-"
__
~_"_"_-..--+-~~.-,-,0------------+--<>---,
l~~
ll'i_"?~·,'
0
,)--------":2'._.
_
__,,
.,
. 0 +
>E6"c>HO
(OZ.+V
W
°'·'"
~
"200
==~=-7=1
f~:~!J
~-
't
"P'
:~~:
"i~i·
'.'o°o'
~
""
'iJ~
~
"o'
""'
~5::
..
~
o~!~
tmr
: J icu.,ml
~l~P
; c ' mo
oW:~!~
1000<
I T
"~'
O.O•
o.o..
""}
__
"'"
0.0%
I
<W
I
1~~~11.2
+
*,u~w:
,-o-,-,-.,-,,+--..-,-0,-,,-+---~---~
f9~
R2;r
+f-''--o--..-~.-+--w-,--+--+--+---+--H~":=:=,-,-,-o~t-ocllo
~
I
, _
_._--*'""'!
:1
:
*c202
..... PL.
&'1i~v
o
AMPL.
cw
~
I
u201.1.
l
~~~~
I I
-
~2~.__I
~i.~i
'
TO
I
0202
\_fi
R222J
••
'
oo,o,%.
I
,,..
kr
'oFF1
I
--..
~6-52V
J
MAX
2N2219A
ii
12.tK
-.
.,..
~
~
I
,
1
1 I
rVR202
~.r:
S',',o,3
VOLT.
REG.
..
i-
!
~g~
~
f"'TRiW1
1
1
;.I
8-{-5.0V
TO
-5.llV)
_
_.,,;
G-K
~-::;:
~~----+-!~--4>-i-'~r-
R224 ICR204 CR205
TRKG
l
. I
IN82!1
ll
"
AMPL
.1
...
112.W
CW
H!>-
c.=O'.J
qi
ot
..
!:
CZ06 R217 R216
~
C208
I.OSK
IGl44
6144
1·,
""'
t-\y""i-_J_J
_______
...
__
...
1111:1
L
_____
il
·::::i•
.,o,
ooo""•
oo"
::m~oooo
j
c~••o1N·a·
:
-<$>--
s201
1,
!I'
SOURCE B
~-o._oo
____
·~·N·------4
I
fc210
:;i~
I I
:i1
2oof-----.-------------'--------~_,
+ i0.01 ..
,?.to•
i
GJ~!
0
I
o '" @
s•zoo
"ioT
~
.;"·
•"-
''O""'lh '
s1
\
ii
1
:
ltE~uEt~~~
11
s
1
? 100
c~::iJlil
I
110
~~~;
2
w
c~
1
~1~
~
!
..
201
11
gr
+I
i
~~
I -
~--~·~o----~------------~------------~;~---4-~~~-~~-4-~-~-~
~G~~i~
J~~
I
I
I
I
I
' I
i::
M~~G
5
~~~w
~~~~
I j
CR
211
R~~
3
V IDT
Jew
i
220
S 15A2
) i
~A-SB
i!:
L
o~
~
R:~
R
2
~~
~
, )
cfL.
~~
L•"~;·,~--;---,.-,"
com
'~~:
m.
l I _
~rr
i
:o::;;;:~:.
;1:
"
.,,,000
~~CR209
!W
!~02~]!
~~~~1:
--r-------A~00_%
__
00_:.-o.·.-.-.-----<·<0}--+,
--i-.-.o-.--4--<---+--~
.oc-
l
I
I
I
'"
I:~-
~~R
SI5A2(4)
+
.·_,~_o~----------------------------------Po~.
l
29-411.
JI
l
~
-
SOURCE
CR206
CR20
~i~
p~EoCr°ENc:D/i~1
-
R~!e°J
.1
~
! ;
r-
1
2~2~~a
~o:~
._
____
...,
______
-<>'"\..-0-------------------------------------------------------------------------~y~'--------------
.....
----__,
lm
;;;o~:o:"
0
"'""
L_
----
- - - -
--
-
---
~.~~c~o:,-
..
~,:.~_,---
-----.~,=---
---
--
~
---
--
-------
--
-
--~
t.
UNLESS
OTHERWISE
SPECtFIEO:
ALL
RESISTORS
Al'IE
IN
OHMS,
I
..
,
l/4W_
ALL
CAPACITORS
ARE
IN
MICROFAAAOS
2.
:lij:
~~~~TN
p1!N~~ccg,~~~\.
FAU~CTJ~~~R
ACNgN~NR~c:Tf:i
ON
THE
PC.
80ARO
,_
:tuo~E:~~SF'~
~6~~LOE~E~~~:A~R~uc~BNE~Es~TEO
BY
DASH
LINES
-lf4.
COMPONENTS
MARKEO
WITH
AN
ASTERISK(*)
ARE
NOT
USEO
ON
TloilS
MOOEL-
**5
EACl-i
AMPLIFIER SECTION
MARKEO
WITH
A DOUBLE
ASTERISK
(**I
REPRESENTS
1/4
OF
OUAO
OPERATIONAL
AMPLIFIER
PER
SPEC. CONTROL
OW(;_
NO_
A65802
SHEET I
OF
2
FOR
LOCATION
OF"
COMPONENTS
SEE
owe.
NO
PS-TP340-13