EasyManua.ls Logo

POWER DESIGNS TP340 - Page 27

POWER DESIGNS TP340
32 pages
Print Icon
To Next Page IconTo Next Page
To Next Page IconTo Next Page
To Previous Page IconTo Previous Page
To Previous Page IconTo Previous Page
Loading...
" )
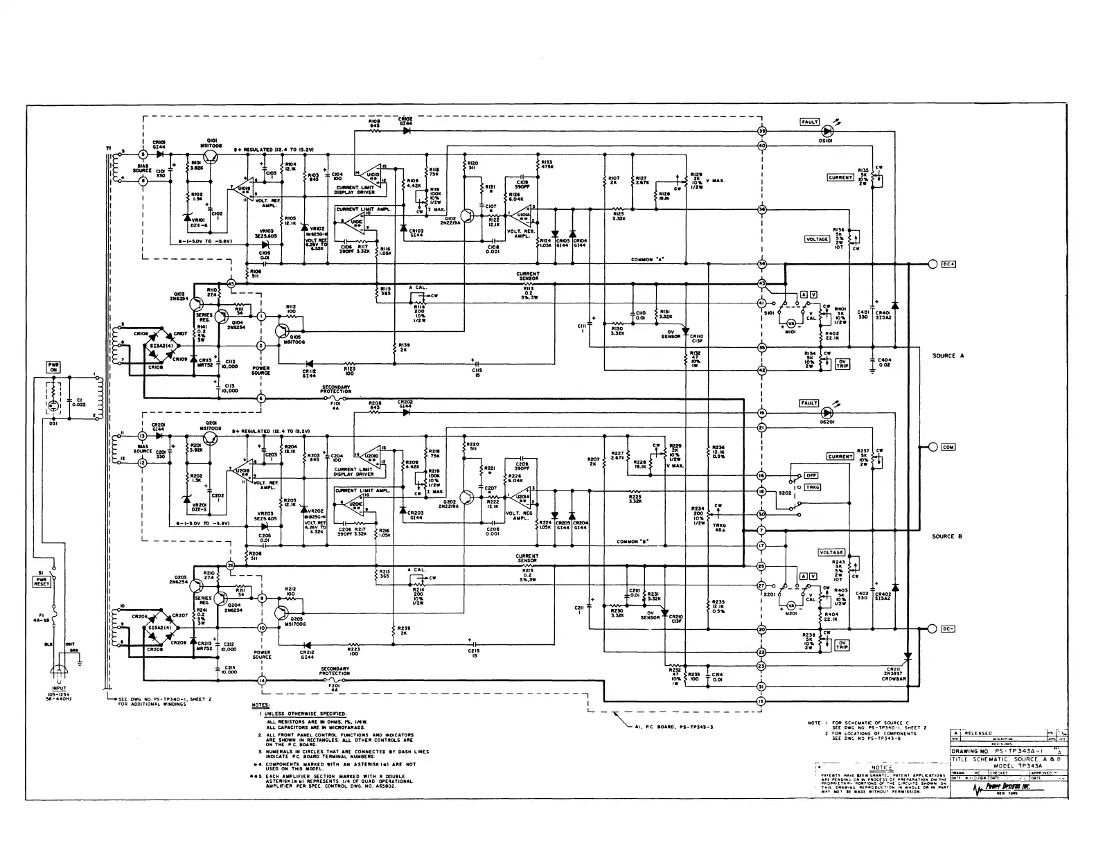
4A-Sll
lifi
u
INPUT
1o5-li5v
S8-440HZ
I
Jil,
L-sre:
owe
NO.
PS-TP!l40-I,
S11EET
z
F'OR
ADDITIONAL
WINDINGS
cm
r~·""°
'T'
L.
-
---
SECOMOAltT
PR~CTION
Fl~I
-------
------------------...,
I
C401
""
+
Clt401
,4
SISA2
RZ!l7~W
lcu11:1m•TI
~~
..
+
Clt402
~
SISA2
~.i~f,.....~-"-..-,.-.----{zu•>------------.-~-~-~,
',°.
...
._'"°_._"·-"'----{J11\------------'-"_·_··-·
......
I.
UNLESS
OTHERWISE SPECIFIED
AU. ltESISTOlllS AllE
..
OHMS,
l't.,
114•
AU
CAPACITOfl:S
ME
..
llllCllOFARADS.
L-~---
------
Al,
PC
llOAllO,
PS-TP343-3
NOTE I f()fi! SC>!EIU.TIC or SOURCE [
SEE
owe.
NQ_
PS-TP340·•,
Sl'lf[T
2
l
FOR
i..OC.ITIONS or COMPO
..
[IHS
2.
All
FRONT PANEL CONTROi.. FUNCTIONS
AND
INOICATOJtS
ARE
SHOWN
IN RECTANGLES. ALL OTHER CONTltOl..S
ARE
OH
THE
P.
C.
BOARD.
!I. NUMERALS
IN
CIRCLES
THAT ARE
CONNECTED
BY
DASH
LINES
INDICATE P.C.
BOARD
TERMIN.U.
NUM8ERS
•4-
COMPONENTS MAFIKED WITH AN
ASTERISK
C•l
Alt[
NOT
USED
ON
THIS
MODEL
••5.
E.lCH
.lMPLIFIER
SECTIDM
MAltKED
WITH
A DOUBLE
ASTERlSI(
(••l
REPRESENTS
1/4
Of'.
QU.lD
OPERATIONAL
AMPUFIElt
PEl'I SPEC. CONTROL
DWG.
NO.
A6580Z.
SEE
OW;:.
N::>
PS-TP34]-8
'SOURCE
A
SOURCE
8
DRAWING
NO_
PS-
TP
343A-
I A
!TITLE
SCHEMATIC.
SOURCE
A 6 8
!
MODEL
TP343A