EasyManua.ls Logo

POWER DESIGNS TP340 - Page 28

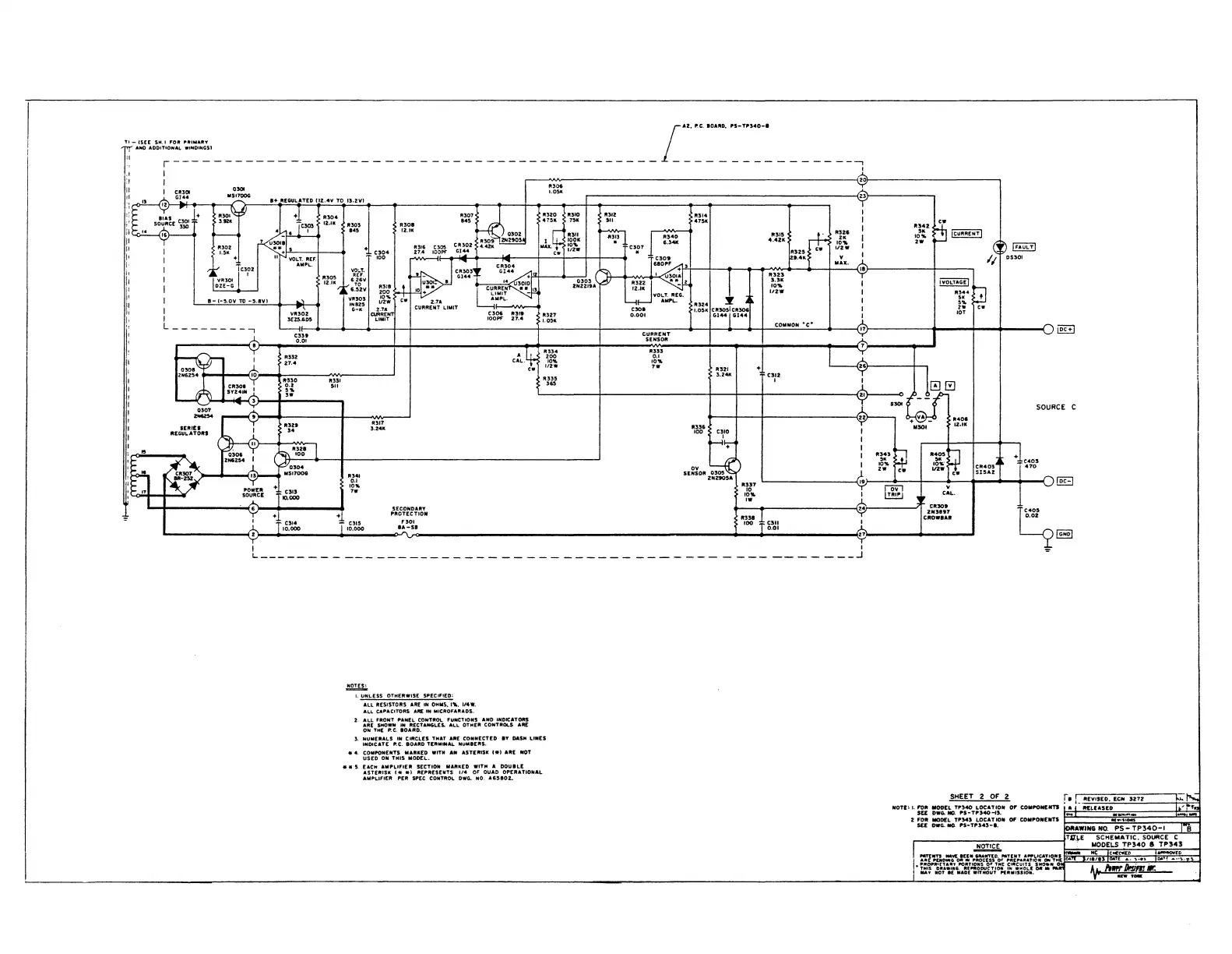
POWER DESIGNS TP340
32 pages
Print Icon
To Next Page IconTo Next Page
To Next Page IconTo Next Page
To Previous Page IconTo Previous Page
To Previous Page IconTo Previous Page
Loading...
[
AZ. P.C. IOAllD,
PS-T,.540-e
Tl -
15[[
SH. l
FOii
"JllllfAltY
f:
.....
,.~-~,~·:··:·
---------------------------------------- --------------
-i
I I
I
II
-
(-5.0V
TO
-5.8Vl
I
I
Vll30Z
3EZ5.605
,,
..
I.OSK
11314
47511
R3U
'·'"
....
llZW
I
VOLTAGE)
R34'
..
...
..
'°'
L---------,
~-,~,,1-,---+~_.~-<>-~t--t-~~~~~~~~~~t-~~~~+-~~--,:=:c:-::::-----<l~-t-~.__.--!---''~
0
=""~
0
="-·~c·~_._~-{''J-~~~~-t~~~+-~-+-~~~1
J@I!)
0.01
R321
...
"'''
"'
•l
R341
•..
....
,.
-
'315
10.000
R31T
3.2411
5£CONOAR'I'
PROTECTION
F301
8A-!!ill
R336
R321
3.2411.
IOO
C!llO
I
OY
SENSOLll
0305
ZNZ905A
R331
C312
I
100
C311
0.01
I I
L-----
- - -
---
------
- -
--
-
--
- - -
-----
-
---
-
--
- -
---
--
- -
___
_J
All
RESISTORS AR[
IN
OMllS, I
..
,
114W.
Al.L
C..l'ACITORS
ARE
IN
MICROFARAOS.
2.
AU.
FRONT PANEL CONTROi.. FUNCTIONS ANO INDICATORS
AR[
SKOWN
IM
RECTANGL.£S.
Al.I.
OTHER CONTROLS ARE
ON
TN[
P.C
BOARD.
3.
NUllf[RALS
IN
CIRCLES
THAT ARE
CONNECTED
BT
DASt+
LINES
INDICATE
P.C.
80ARD
TElt•INAL
NUMBERS.
ti
4.
CONl'()N[NTS
MAltll[Q
WITM
AN
ASTElt1$1t
(ti)
Alt[
NOT
USED
ON
THIS
llOOEL.
ti ti
5
EACH
AMPLIFl[JI
SECTION
MAll
.. EO
WITH
A
OOU8LE
ASTERISK
'*
ttl
R£PR£5£NTS
114
or
OUAO
OPERATIONAL
AMPLIFIER
PER
SPEC
CONTROi..
DWG.
NO.
A6510Z..
SOURCE C
+
..,.C403
'70