EasyManua.ls Logo

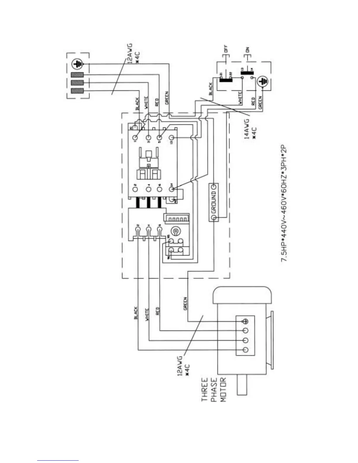
Powermatic 201 - Electrical Connections - 3 Phase, 460 Volt

Powermatic 201
36 pages
Print Icon
To Previous Page IconTo Previous Page
To Previous Page IconTo Previous Page
Loading...
36
Electrical Connections – 3 Phase, 460 Volt

Related product manuals