EasyManua.ls Logo

Powermatic PM2000 - Page 37

Powermatic PM2000
44 pages
Print Icon
To Next Page IconTo Next Page
To Next Page IconTo Next Page
To Previous Page IconTo Previous Page
To Previous Page IconTo Previous Page
Loading...
37
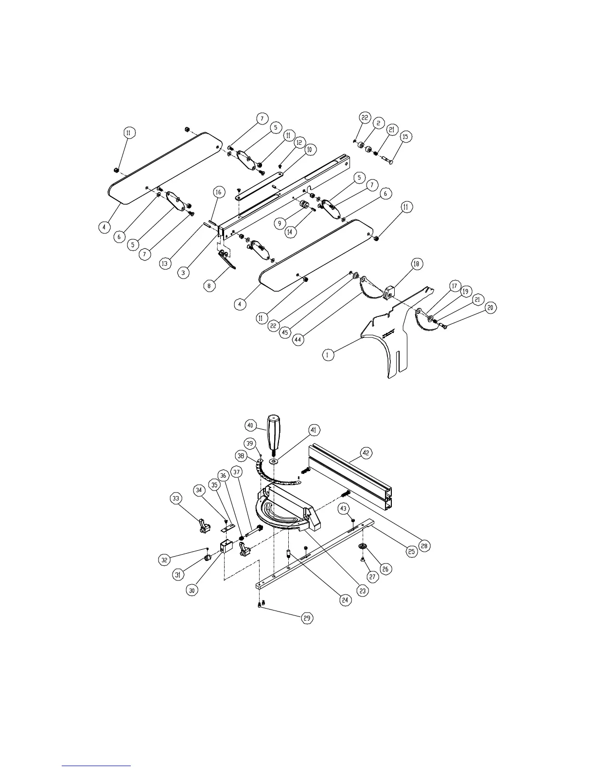
Blade Guard & Miter Gauge Assembly

Other manuals for Powermatic PM2000

Related product manuals