EasyManua.ls Logo

Powermatic PM2000 - Page 40

Powermatic PM2000
44 pages
Print Icon
To Next Page IconTo Next Page
To Next Page IconTo Next Page
To Previous Page IconTo Previous Page
To Previous Page IconTo Previous Page
Loading...
40
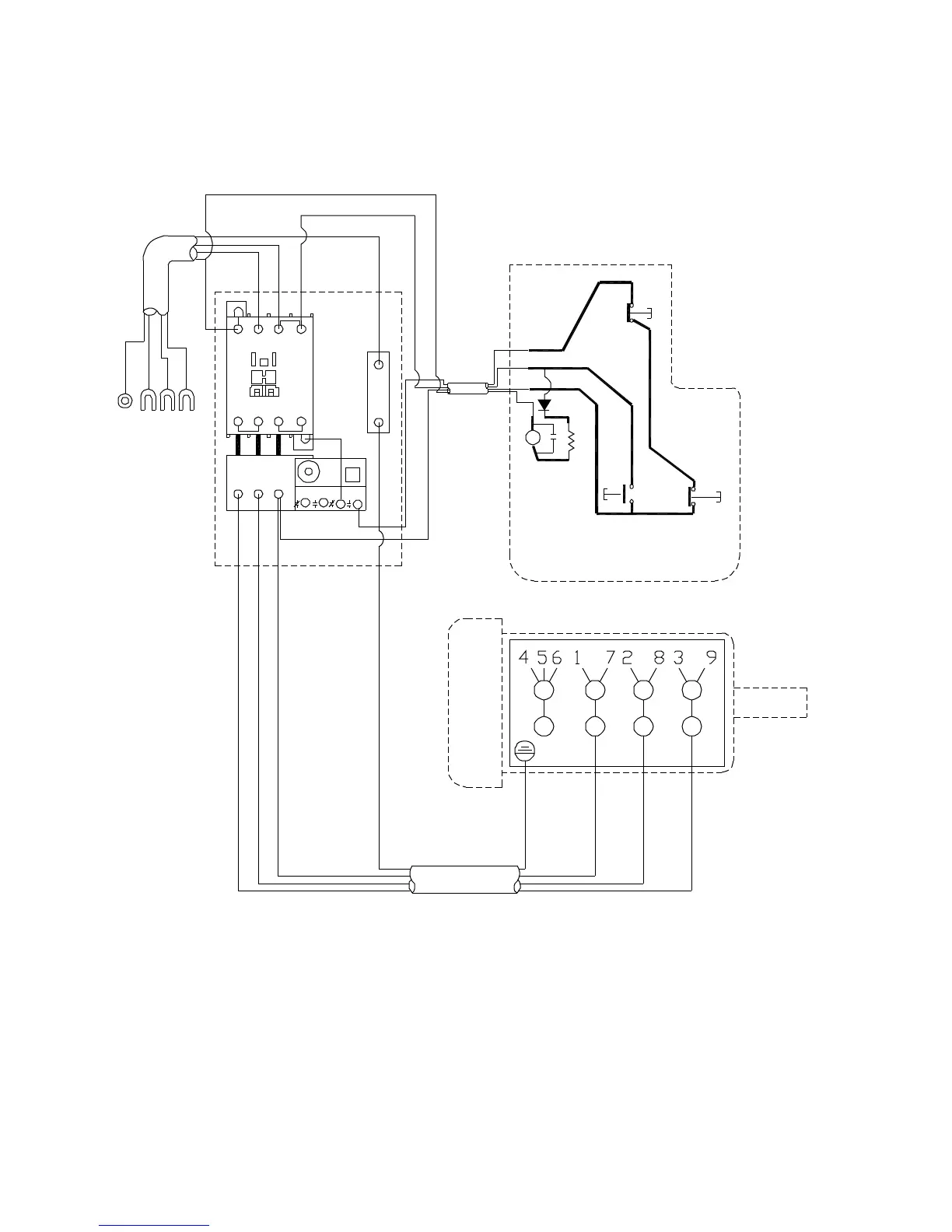
5HP, 230V, 3Phase
5
L3
A1
3
L2
13
NO
1
L2
2
T1
4
T2
6
T3
14
NO
2
T1
4
T2
6
T3
A2
GROUND
GREEN
GREEN
BLACK
WHIET
959698 97
GREEN
BLACK
WHITE
WHITE
BLACK
WHITE
BLACK
GREEN
BLACK
RED
YELLOW
BLACK
WHITE
GREEN
Magnetic Switch
Electrical Board
Moto
r
RED
RED
RED
RED
R
C
YELLOW
WHITE
RED
LED

Other manuals for Powermatic PM2000

Related product manuals