EasyManua.ls Logo

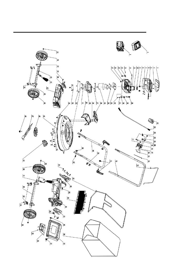
Powersmart DB2821 - Exploded View

Powersmart DB2821
84 pages
Print Icon
To Next Page IconTo Next Page
To Next Page IconTo Next Page
To Previous Page IconTo Previous Page
To Previous Page IconTo Previous Page
Loading...
26
EXPLODED VIEW AND SPARE PART LIST

Related product manuals