EasyManua.ls Logo

PR electronics 4116V106-UK - Block Diagram

Default Icon
35 pages
Print Icon
To Next Page IconTo Next Page
To Next Page IconTo Next Page
To Previous Page IconTo Previous Page
To Previous Page IconTo Previous Page
Loading...
50.0
VALVE 5
l / min
I+
10 V
1 V
*
4116
21
20 Ω
50 Ω500 Ω
mA
mA
D / A
CPU
Safety
EEPROM
CJC
PTC
MUX
A / D
44
43
42
41
0.2 mA
V
loop
14
13
12
31
33
22
21
23
11
24
24 3
+
-
+
-
+
-
V V
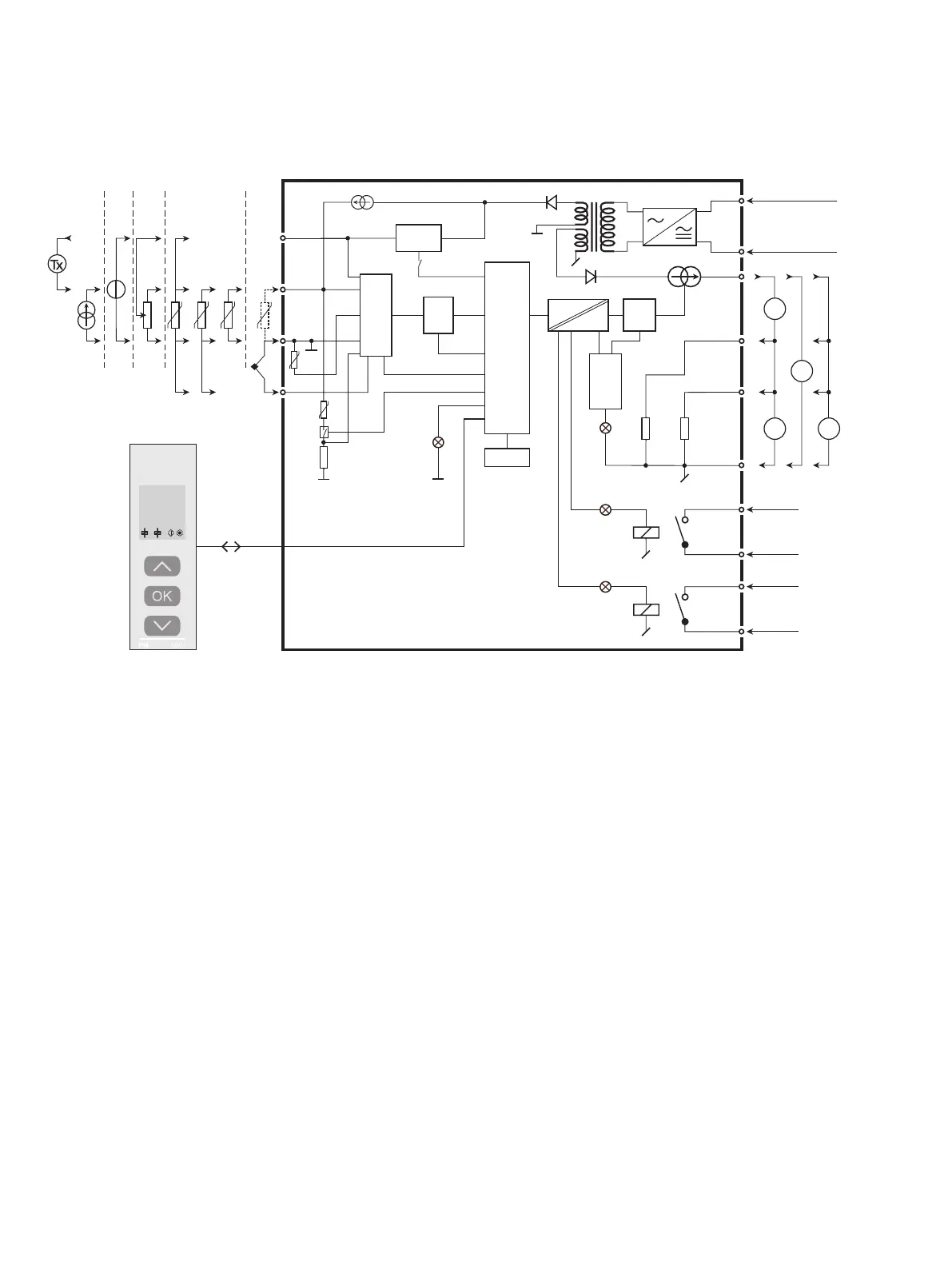
18 4116V106-UK
Block diagram
Potentiome ter
2-wire transmitter
Voltage
Current
RTD og lin.R,
connection,
wires
Supply
Supply
21.6...253 VAC or
19.2...300 VDC
I-
I + V
Out.
I
Out.
V
Out.
TC
Relay 2
Relay 2
Relay 1
Relay 1
Green
Red
Yellow
Yellow
Order separately: CJC connector 5910

Related product manuals