EasyManua.ls Logo

Pramac S5000 - S3100 GENERATOR PARTS

Pramac S5000
66 pages
Print Icon
To Next Page IconTo Next Page
To Next Page IconTo Next Page
To Previous Page IconTo Previous Page
To Previous Page IconTo Previous Page
Loading...
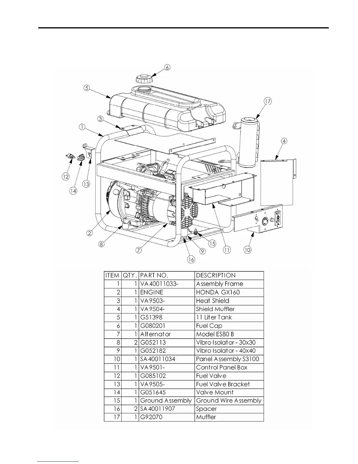
S3100 GENERATOR PARTS
19
GENERATOR PARTS LISTS
S3100 GENERATOR PART LISTS

Table of Contents

Related product manuals