EasyManua.ls Logo

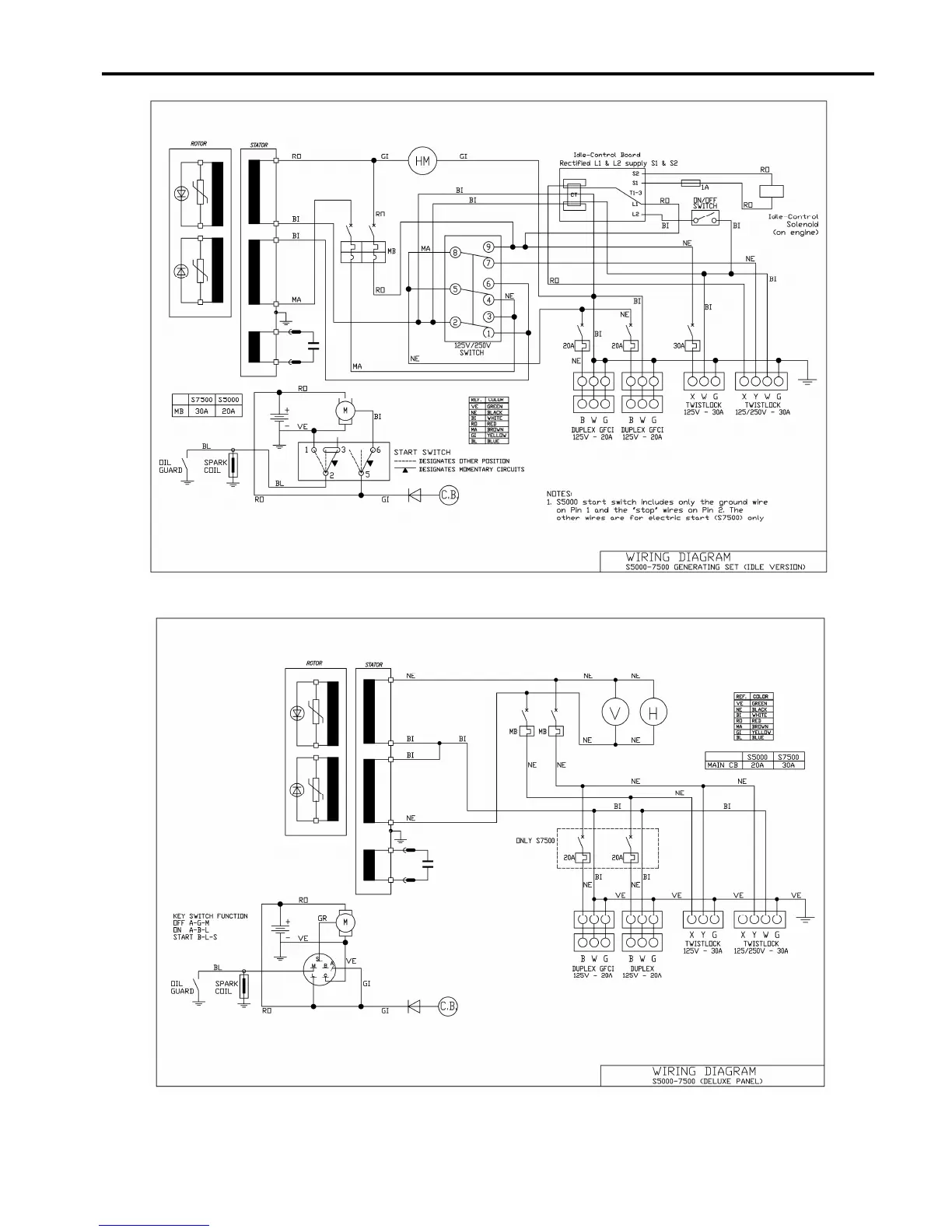
Pramac S5000 - S5000-7500 GENERATING SET (IDLE VERSION); S5000-7500 (DELUXE PANEL)

Pramac S5000
66 pages
Print Icon
To Next Page IconTo Next Page
To Next Page IconTo Next Page
To Previous Page IconTo Previous Page
To Previous Page IconTo Previous Page
Loading...
Schematics
35

Table of Contents

Related product manuals