EasyManua.ls Logo

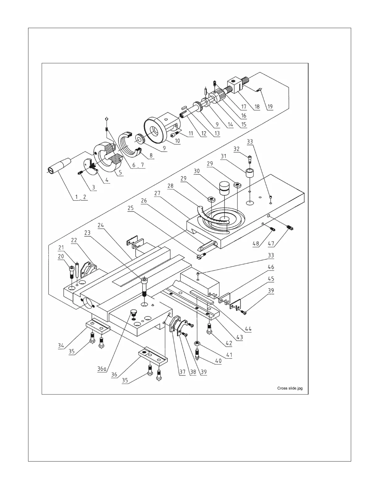
Precision matthews PM-1440BV - Cross Slide & Saddle Fig 9

Precision matthews PM-1440BV
47 pages
To Next Page IconTo Next Page
To Next Page IconTo Next Page
To Previous Page IconTo Previous Page
To Previous Page IconTo Previous Page
Loading...
43PM-1440BV v3 2020-10 Copyright © 2020 Quality Machine Tools, LLC
CROSS SLIDE & SADDLE Fig 9
There may be detail dierences
between this representative drawing
and the machine as supplied

Related product manuals