EasyManua.ls Logo

Prestige APS-520 - Door Locking Circuit Diagrams

Default Icon
8 pages
Print Icon
To Next Page IconTo Next Page
To Next Page IconTo Next Page
To Previous Page IconTo Previous Page
To Previous Page IconTo Previous Page
Loading...
128-8147
6 of 8
6
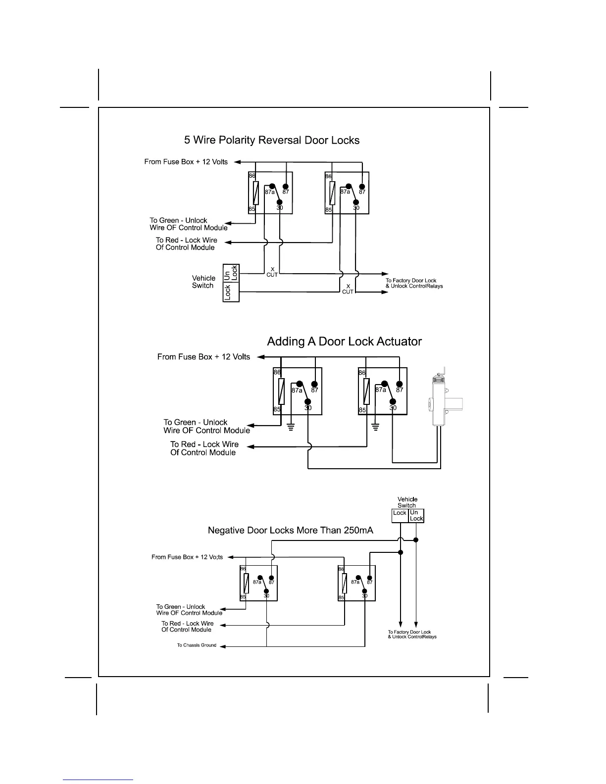
OTHER DOOR LOCKING CIRCUITS ARE SHOWN IN THE FOLLOWING DIAGRAMS:

Related product manuals