EasyManua.ls Logo

Prestige APS-997C - Multi-Pin Accessory;Input-Output Harness Wiring; White w; Red Trace Wire: Parking Light Flasher Feed; White Wire: Parking Light Flasher Output; White w; Black Trace Wire: Siren Output

Prestige APS-997C
28 pages
Print Icon
To Next Page IconTo Next Page
To Next Page IconTo Next Page
To Previous Page IconTo Previous Page
To Previous Page IconTo Previous Page
Loading...
128-8775
10 of 28
10
White w/ Black Trace Wire: (+) Siren Output
This is the positive siren feed wire. Route this wire through a grommet in the firewall to the siren
location. Connect the White w/ Black Trace wire to the Red wire of the Siren. Secure the Black wire
of the Siren to a known chassis ground or solid clean metal surface.
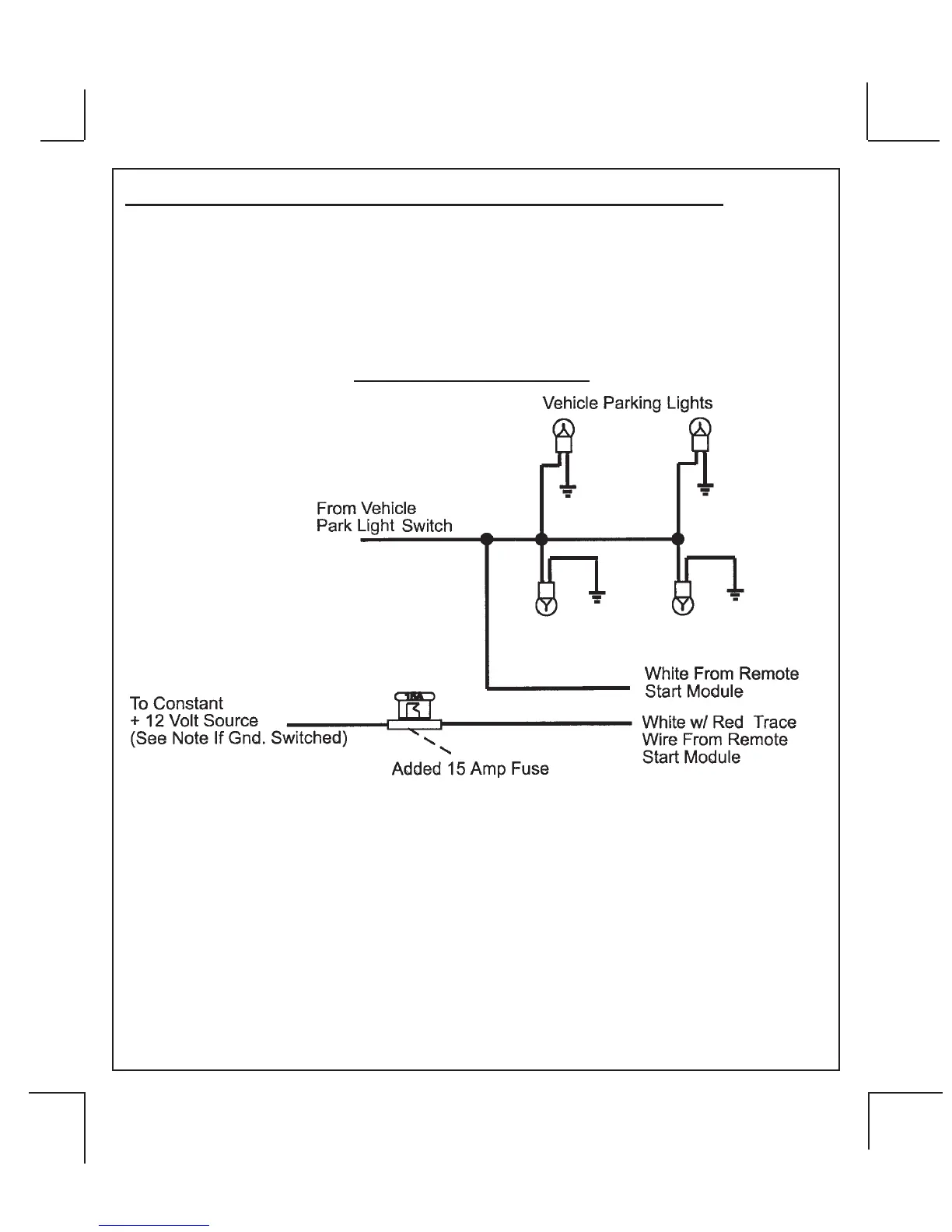
WIRING CONNECTIONS: Multi Pin Accessory Input/Output Harness
White w/ Red Trace Wire: Parking Light Flasher Feed
This wire is the common contact of the on board parking light flasher relay. If the vehicle you are working
on has +12 volt switched parking lights, connect this wire to a fused + 12 volt source. (Max. 15 Amps)
NOTE: If the vehicle's parking lights are ground switched, connect this wire to chassis ground.
White Wire: Parking Light Flasher Output
This wire is the normally open contact of the on board parking light flasher relay. Connect this wire to the
vehicle parking light feed wire. See diagram below for details on wiring positive switched parking light
circuits.
Parking Light Wiring Detail

Related product manuals