EasyManua.ls Logo

Prestige APS-997C - Advanced 2-Step Door Lock Wiring; 3 Wire Positive Switched 2-Step Door Locks; Red;Black Wire Functionality

Prestige APS-997C
28 pages
Print Icon
To Next Page IconTo Next Page
To Next Page IconTo Next Page
To Previous Page IconTo Previous Page
To Previous Page IconTo Previous Page
Loading...
128-8775
20 of 28
20
The Red/Black wire provides a pulse ground output when the unlock button of the transmitter is pressed a
second time after disarming. Connect the Red/Black wire to the wire that provides a low current ground
signal from the factory door unlock switch to the factory door unlock control relay.
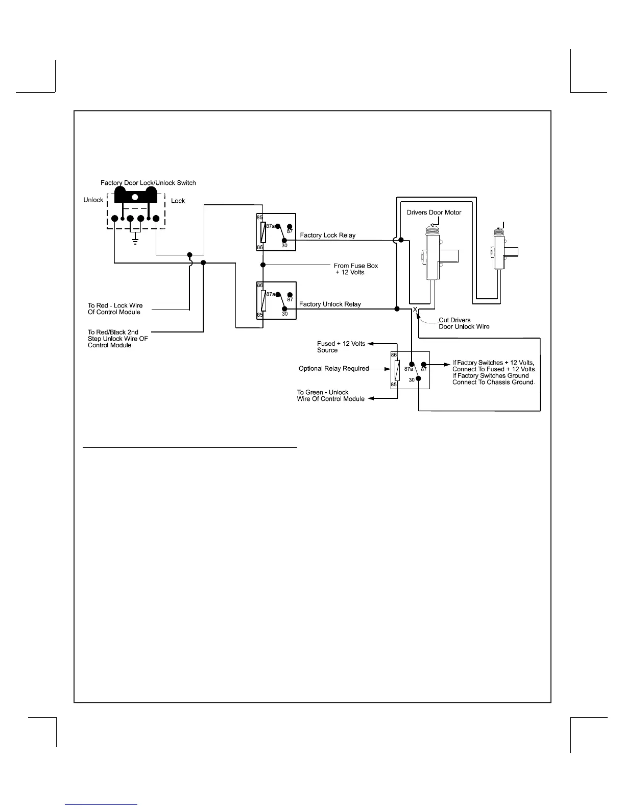
3 Wire Positive Switched 2 Step Door Locks:
The green wire provides a positive pulse during arming or the pulsed + 12 volt lock output. Connect the
green wire to the wire that provides a low current positive signal from the factory door lock switch to the
factory door lock control relay.
The red wire provides a positive pulse during disarming or the drivers door pulsed positive unlock
output. Connect this wire to the drivers door unlock relay that requires a low current positive signal to
unlock only the drivers door. If the vehicle does not have a separate drivers door relay, one will have to be
added. Locate the drivers door unlock motor wire and cut it at a convenient location to allow wiring of an
optional relay. Connect the door side of the cut wire to terminal 30 of the optional relay added. Connect the
vehicle side of the cut wire to terminal 87a of the optional relay added. Connect the red wire of the 3 pin
harness to terminal 86 of the optional relay added. Connect terminal 85 of the optional relay added to
chassis ground. Most vehicles door lock/unlock motor legs rest at ground, and switch +12 volts to the door
lock/unlock motor legs for operation, if this is the case in the vehicle you are working on, connect the
remaining terminal, 87, to a fused + 12 volt source. In the rare instance that the vehicle door lock/unlock
motor legs rest at + 12 volts and switches ground to the door lock/unlock motors, connect he remaining
terminal, 87, to chassis ground.
The Red/Black wire provides a pulse ground output when the unlock button of the transmitter is pressed a
second time after disarming. Because the vehicle you are working on requires a positive pulse from the
factory door lock switch to the factory door lock control relay, you will have to add a relay to invert the output
polarity of this wire. Connect the Red/Black wire to terminal 86 of the optional added relay. Connect
terminal 85 & 87 to a fuse + 12 volt source. Connect terminal 30 to the low current door unlock wire from the
factory door switch to the door unlock control relay.

Related product manuals