EasyManua.ls Logo

Primax EASY LINE - Page 52

Default Icon
Print Icon
To Next Page IconTo Next Page
To Next Page IconTo Next Page
To Previous Page IconTo Previous Page
To Previous Page IconTo Previous Page
Loading...
52
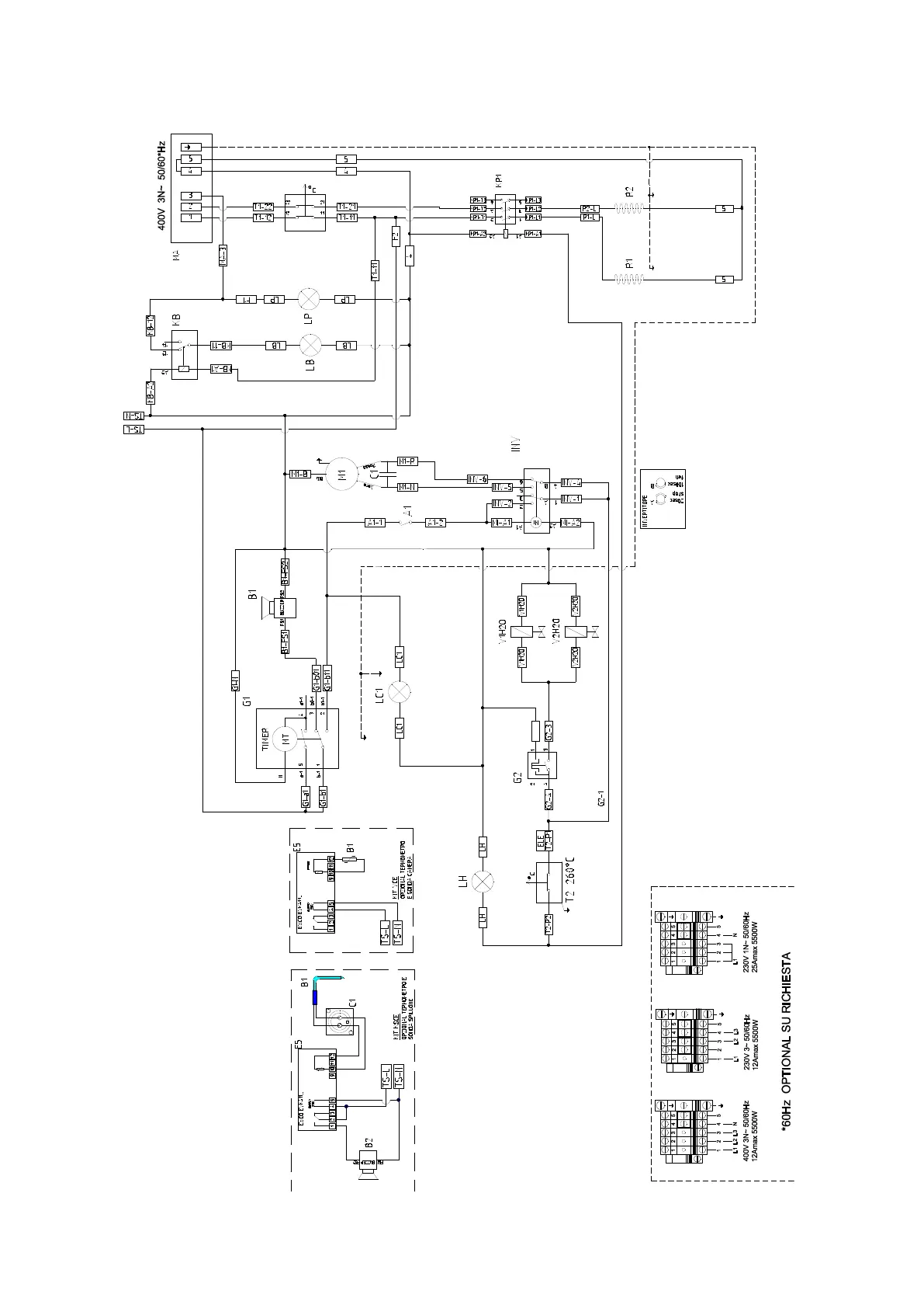
CONVEZIONE/UMIDIFICAZIONE- CONVECTION/HUMIDIFICATION- KONVEKTION/BEFEUCHTUNG-
CONVECTION/HUMIDIFICATION 5 LEVELS GN 1/1, 400x600.

Related product manuals