EasyManua.ls Logo

Primax EASY LINE - Page 56

Default Icon
Print Icon
To Next Page IconTo Next Page
To Next Page IconTo Next Page
To Previous Page IconTo Previous Page
To Previous Page IconTo Previous Page
Loading...
56
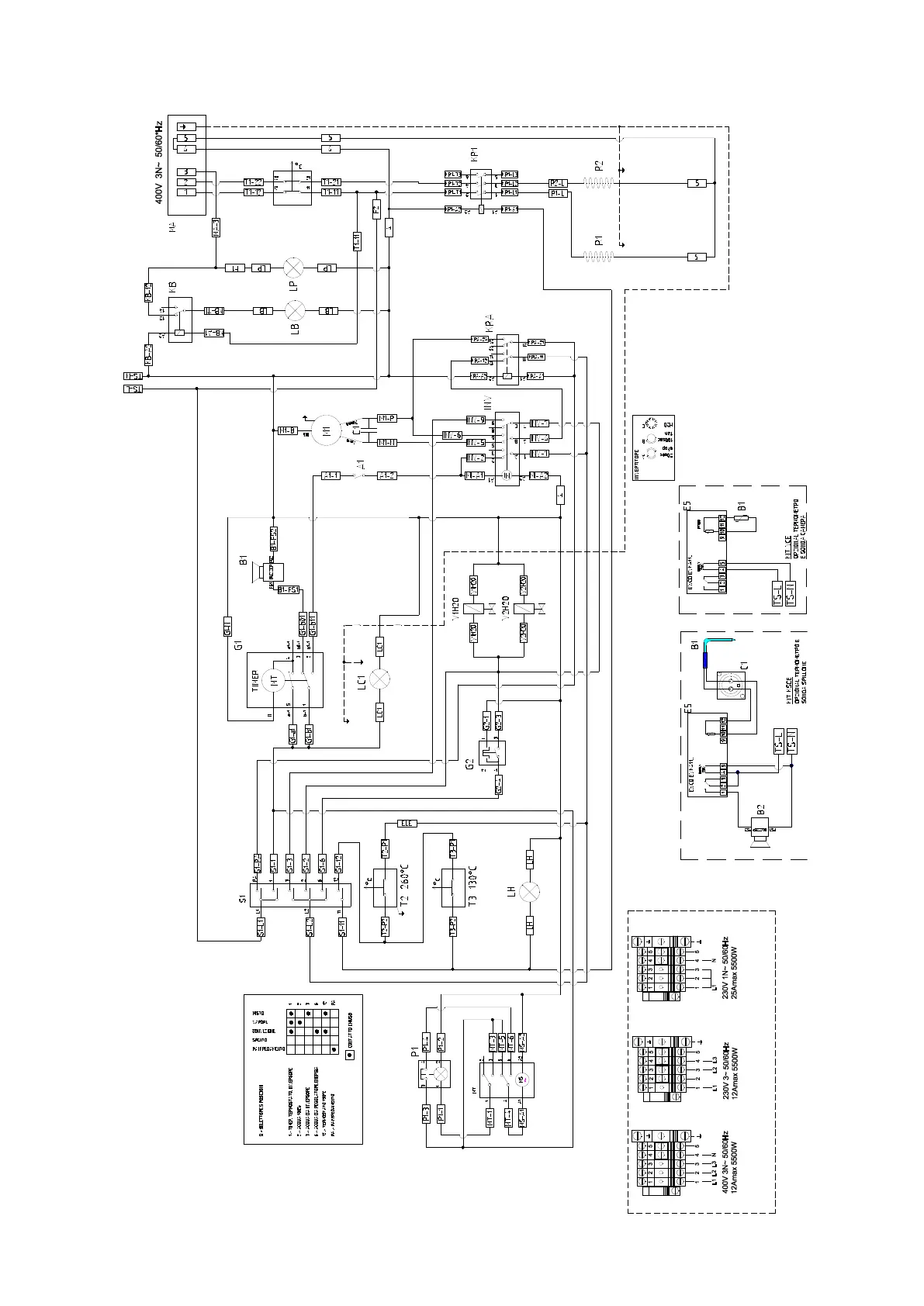
CONVEZIONE/VAPORE- CONVECTION/STEAM- HEISSLUFTDAMPFOEFEN- CONVECTION/VAPEUR 5 LEVELS GN1/1 , 400x600.

Related product manuals