EasyManua.ls Logo

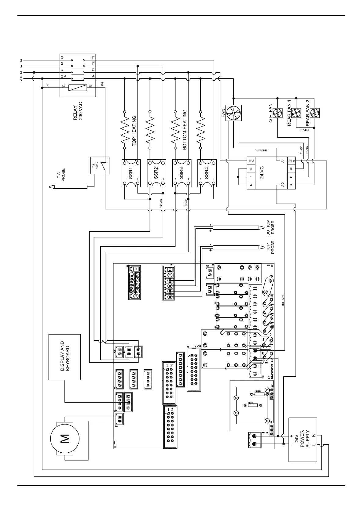
Prismafood C/0 - Electrical Diagrams and Connections; Wiring Diagram: C;40 and C;50 Models

Prismafood C/0
29 pages
Print Icon
To Next Page IconTo Next Page
To Next Page IconTo Next Page
To Previous Page IconTo Previous Page
To Previous Page IconTo Previous Page
Loading...
26
ELECTRICAL PART
WIRING DIAGRAM C/40 AND C/50

Related product manuals