EasyManua.ls Logo

Pro-Form ERGOSTRIDE - Page 31

Pro-Form ERGOSTRIDE
32 pages
Print Icon
To Next Page IconTo Next Page
To Next Page IconTo Next Page
To Previous Page IconTo Previous Page
To Previous Page IconTo Previous Page
Loading...
31
8
10
12
7
11
14
13
15
17
20
21
30
32
29
31
34
38
39
33
54
56
56
58
53
53
57
57
63
66
64
64
67
78
78
78
78
78
78
78
78
87
78
81
81
78
78
78
87
78
78
83
84
78
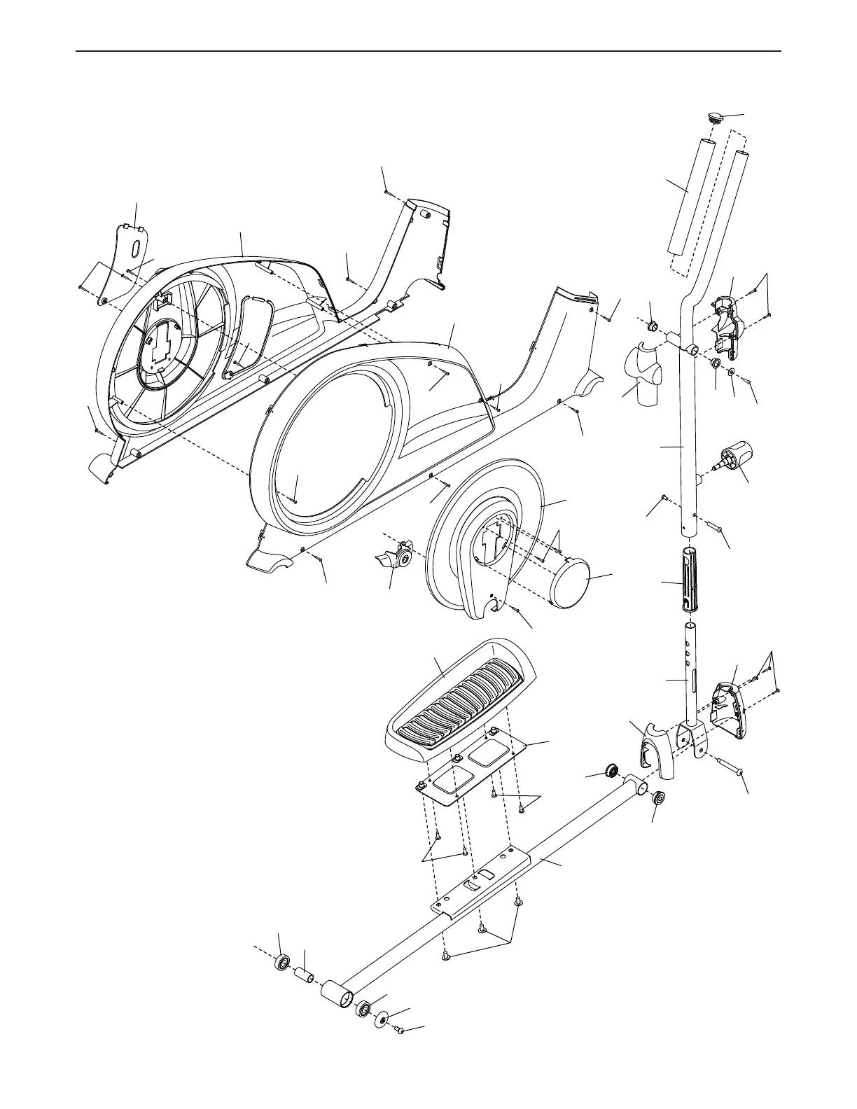
EXPLODED DRAWING B
Model No. PFEL04817.1 R0319A

Related product manuals