EasyManua.ls Logo

Pro-Form SPACESAVER DX - Page 27

Pro-Form SPACESAVER DX
28 pages
Print Icon
To Next Page IconTo Next Page
To Next Page IconTo Next Page
To Previous Page IconTo Previous Page
To Previous Page IconTo Previous Page
Loading...
27
1
2
3
4
5
6
7
8
8
9
62
63
12
13
12
13
14
15
16
16
17
17
18
18
44
45
46
47
48
49
50
51
95
52
54
53
55
56
57
76
59
60
61
116
58
55
52
54
53
64
68
68
68
68
69
70
72
88
75
82
82
83
83
84
85
84
85
86
88
88
88
90
91
92
94
73
93
93
80
80
96
99
99
107
101
107
101
97
97
97
97
111
87
97
97
97
111
87
102
114
102
114
114
97
97
113
103
113
103
112
110
110
87
87
111
111
97
97
97
115
112
98
98
104
105
104
105
77
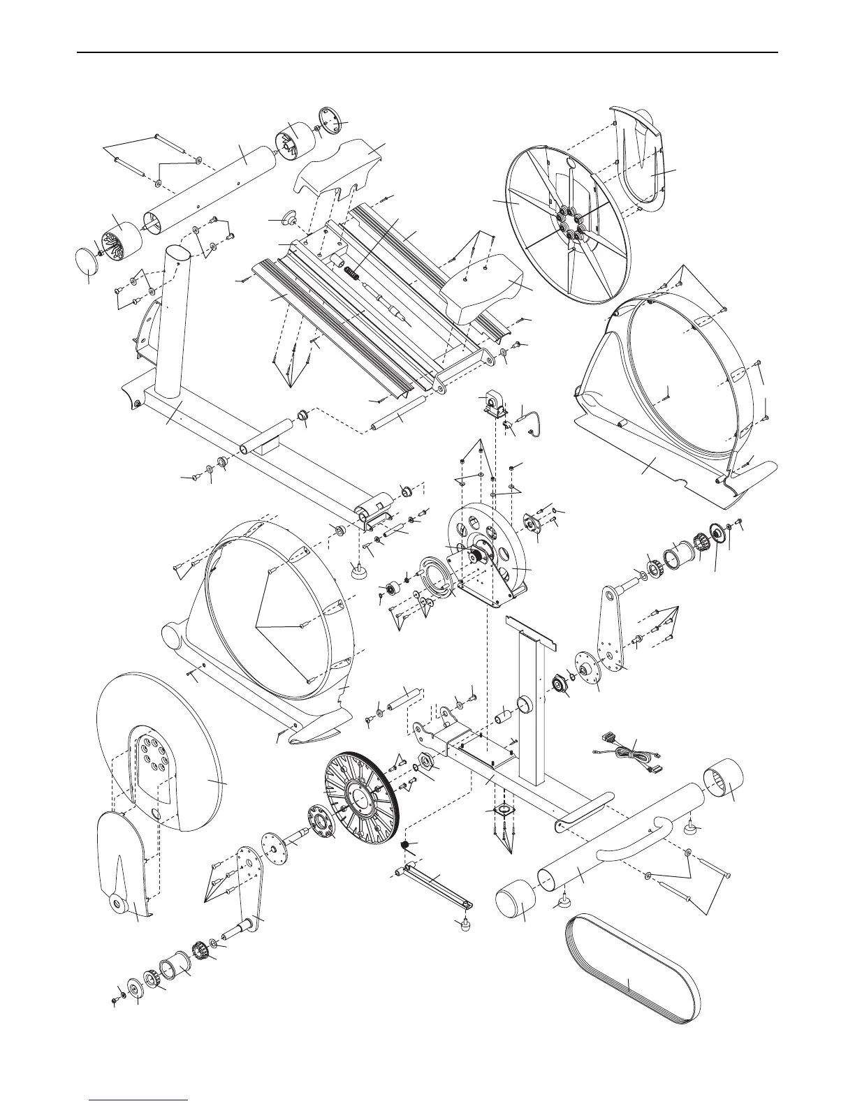
EXPLODED DRAWING B—Model No. PFEL77908.2 R0308A

Related product manuals