EasyManua.ls Logo

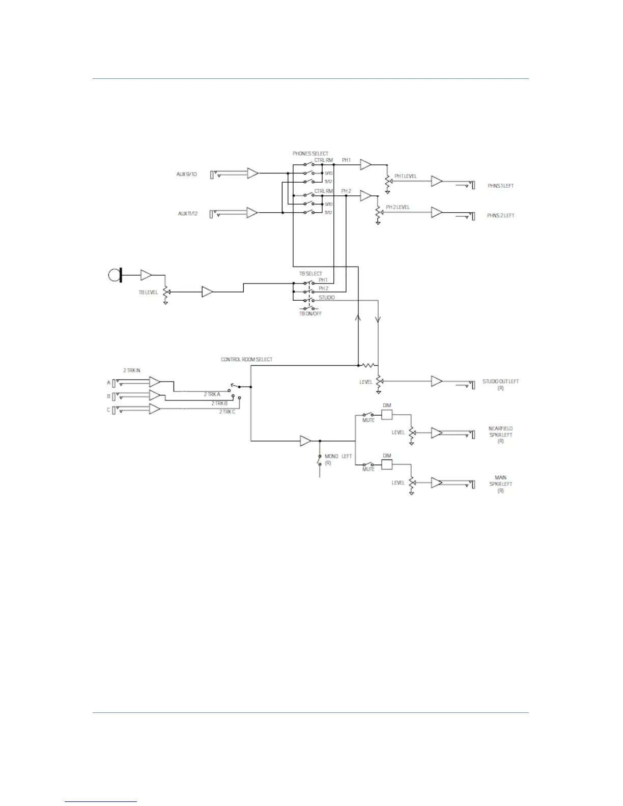
Probox d8b - 7.5 Monitor Controller Function; 7.5.3 Monitor Controller Signal Path

Probox d8b
63 pages
Print Icon
To Next Page IconTo Next Page
To Next Page IconTo Next Page
To Previous Page IconTo Previous Page
To Previous Page IconTo Previous Page
Loading...
Probox user manual
Page 55 of 63
7.5.3 Signal path of Monitor controller