EasyManua.ls Logo

Prochem LGTPC - Page 78

Default Icon
143 pages
Print Icon
To Next Page IconTo Next Page
To Next Page IconTo Next Page
To Previous Page IconTo Previous Page
To Previous Page IconTo Previous Page
Loading...
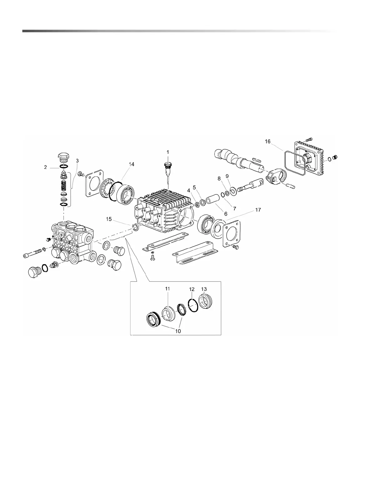
17
Solution Pump 2
86411070 Spare Parts List - Legend GT

Table of Contents

Related product manuals