EasyManua.ls Logo

Prochem LGTPC - Wiring Diagram

Default Icon
143 pages
Print Icon
To Next Page IconTo Next Page
To Next Page IconTo Next Page
To Previous Page IconTo Previous Page
To Previous Page IconTo Previous Page
Loading...
37
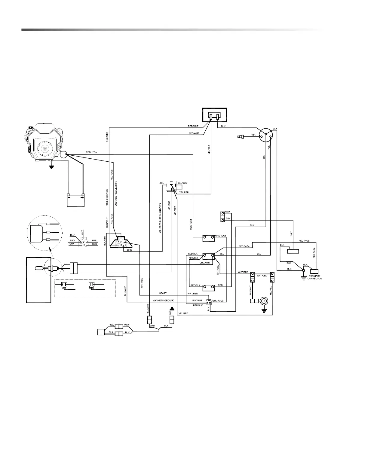
Wiring Diagram
ENGINE
POSNEG
STARTER
F
M
GRN
GRN
WHT
BLK
WASTE TANK
ENGINE SHUTOFF
SWITCH
N.O.
N.C.
COM
M
F
YEL/BLK
YEL/BLK
ORG/WHT
BLK
GRN
WHT
REAR OF
CONNECTORS
WHT
BLK
A BC
F
M
WATER PRESSURE
PUMP SWITCH
N.O. CONTACT BLOCKS
#86193750-PRV NO. 32-900205
20
AMP
20
AMP
AMP
30
S
+
I
G
-
N.O.
N.C.
A B
ORG/WHT
SOLUTION PMP/AUX CIRCUIT
BRKR
#86175510
PRV NO. 33-900163
MAIN CIRCUIT BRKR
#86175490
PRV NO. 33-900161
TEMPERATURE SENDER
#86192490-PRV NO. 34-903019
LOCATED ON
SOLUTION MANIFOLD
FUEL PUMP CORD
#86176930
PRV NO. 790579
FEMALE CONNECTOR
FOR PUMPOUT
PUMPOUT CIRCUIT BRKR
#86175510
PRV NO. 33-900163
HOUR METER
#86246890-PRV NO. 54092
TEMPERATURE GAUGE
#86181960-PRV NO. 36229
EXTERNAL FUEL
PUMP
BATTERY
#86174580
PRV NO. 36-900056
SOLUTION PUMP
CLUTCH
IGNITION SWITCH
#86186020
PRV NO. 32-900174
USE:
86136640 - PRV NO. 70262
86010740 - PRV NO. 87090
86137310 - PRV NO. 87098
SHUTDOWN RELAY
#86191740
PRV NO. 35-900188
87
85
30
87a
86
N.O.
BACK OF
ENGINE CONNECTOR
#25-155-06
PART #42-902318
M
F
M
F
PUMPOUT SWITCH
#86193760
PRV NO. 32-900206
BACK OF PLUG ON
ENGINE HARNESS
BLK 4Ga #86176240
PRV NO. 64-950593
RED 4Ga #86176200
PRV NO. 64-950499
SLEEVE 86011650
86411070 Spare Parts List - Legend GT

Table of Contents

Related product manuals