EasyManua.ls Logo

Procom ML150HPA - Page 26

Procom ML150HPA
36 pages
Print Icon
To Next Page IconTo Next Page
To Next Page IconTo Next Page
To Previous Page IconTo Previous Page
To Previous Page IconTo Previous Page
Loading...
www.usaprocom.com
200045-01A
26
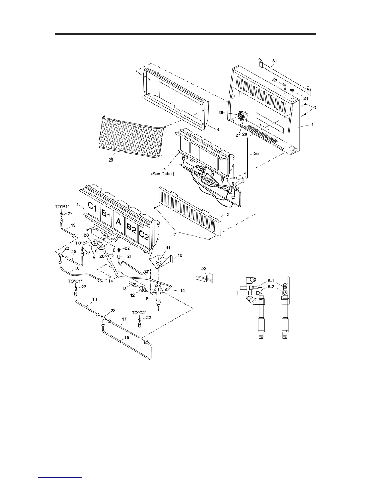
PARTS
MODEL ML250HPA
ODS Pilot Assembly
Burner Assembly

Related product manuals