EasyManua.ls Logo

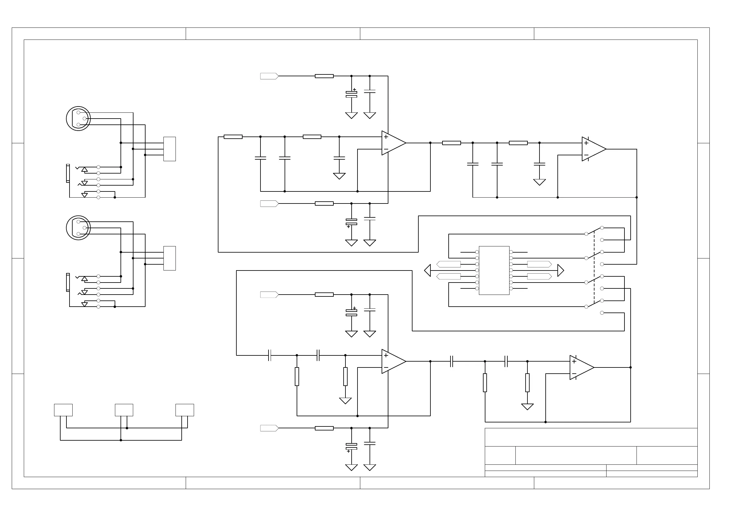
PROEL PRL500 - Crossover Schematic

PROEL PRL500
11 pages
Print Icon
To Next Page IconTo Next Page
To Next Page IconTo Next Page
To Previous Page IconTo Previous Page
To Previous Page IconTo Previous Page
Loading...
1 2 3 4
A
B
C
D
4321
D
C
B
A
Title
Number RevisionSize
A4
Date: 23-May-2001 Sheet of
File: A:\PRL1300-900-500.ddb Drawn By:
1
5
3
2
4
6
S2
1
5
3
2
4
6
S3
3
2
1
84
IC1-A
TL072
3
2
1
84
IC2-A
TL072
C16
100N
C17
100N
C1
100N
C18
100N
C15
100N
C2
100N
C7
100N
C8
100N
C5
100N
+15VB+15VA
-15VA -15VB
NCNC
NC NC
5
6
7
IC1-B
TL072
C3
100N
C4
100N
C6
100N
5
6
7
IC2-B
TL072
C9
100N
C10
100N
C12
47U 25V
C11
47U 25V
C13
47U 25V
C14
47U 25V
+15VB
-15VB
-15VA
+15VA
1
2
3
S4
1
2
3
S5
1
2
3
CN2
1
2
3
CN3
1
2
CN4
1
2
CN5
1
2
CN6
1 2
3 4
5 6
7 8
9 10
11 12
13 14
CN1
IN_LOW
OUT_LOW
OUT_HIGH
IN_HIGH
SW1
R2
9K09 1%
R9
22E
R1
9K09 1%
R10
22E
R4
9K09 1%
R3
9K09 1%
R11
22E
R12
22E
R5
9K09 1%
R6
18K 1%
R8
9K09 1%
R7
18K 1%
CROSSOVER PRL 1300/900/500
PROEL S.p.A.

Related product manuals