EasyManua.ls Logo

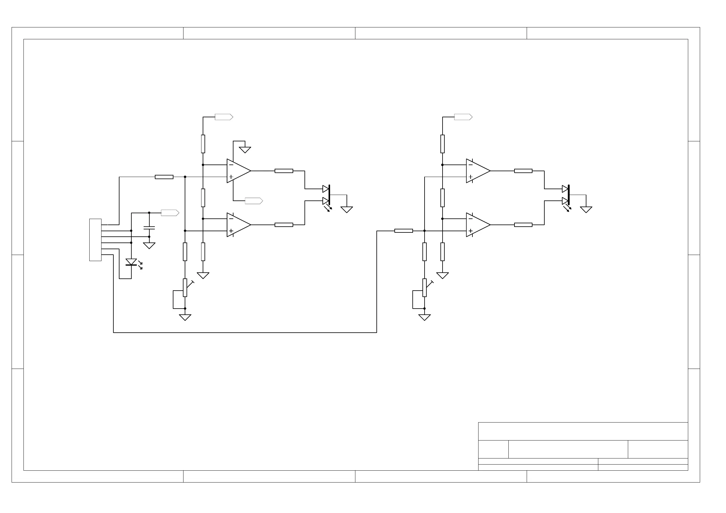
PROEL PRL500 - LED Control Schematic

PROEL PRL500
11 pages
Print Icon
To Next Page IconTo Next Page
To Next Page IconTo Next Page
To Previous Page IconTo Previous Page
To Previous Page IconTo Previous Page
Loading...
1 2 3 4
A
B
C
D
4321
D
C
B
A
Title
Number RevisionSize
A4
Date: 23-May-2001 Sheet of
File: A:\PRL1300-900-500.ddb Drawn By:
C1
100N
+12V
+12V
R1
100K
R11
330R
R3
100K
R5
220K
R2
5K6
VR1
22K
R4
10K
R12
10K
LED CONTROL PRL 1300/900/500
1
2
3
4
5
6
CN1
DL1
3
2
1
4 11
IC1-A
LM324
5
6
7
IC1-B
LM324
10
9
8
IC1-C
LM324
+12V
R10
100K
R14
330R
R8
100K
R6
220K
R9
5K6
VR2
22K
R7
10K
R13
10K
12
13
14
IC1-D
LM324
R
GY
R
GY
LEFT
RIGHT
CLIP
SIGNAL
CLIP
SIGNAL
+12V
PROT
DL3
DL2
PROEL S.p.A.

Related product manuals