EasyManua.ls Logo

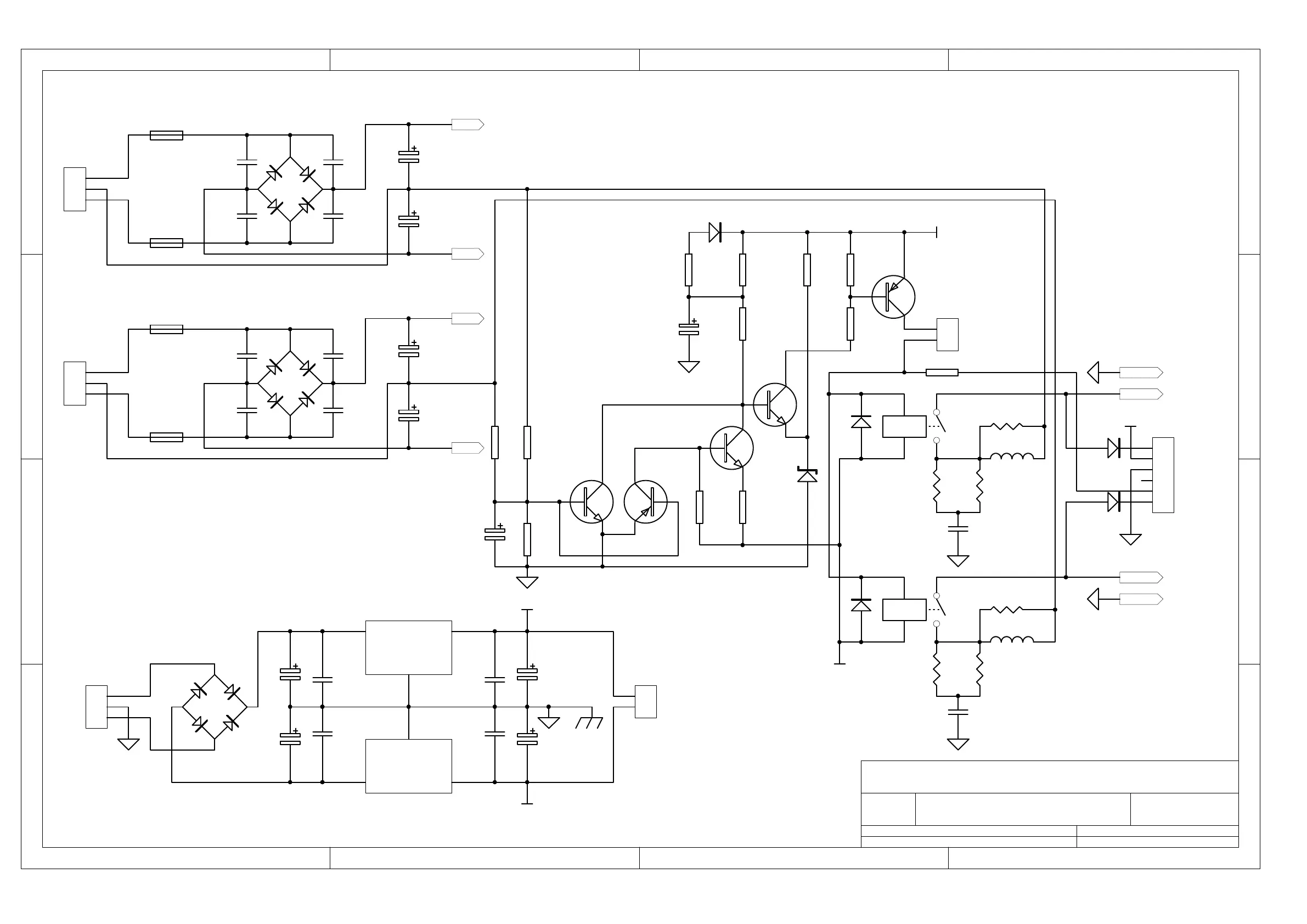
PROEL PRL500 - Power Supply PRL 500 Schematic

PROEL PRL500
11 pages
Print Icon
To Next Page IconTo Next Page
To Next Page IconTo Next Page
To Previous Page IconTo Previous Page
To Previous Page IconTo Previous Page
Loading...
1 2 3 4
A
B
C
D
4321
D
C
B
A
Title
Number RevisionSize
A4
Date: 23-May-2001 Sheet of
File: A:\PRL1300-900-500.ddb Drawn By:
POWER SUPPLY PRL 500
D1
KBPC036-06
C3
47N 250V
C8
47N 250V
C1
47N 250V
C4
47N 250V
F1
5A T
F3
5A T
+VA
-VA
1
2
3
CN1
C25
10000U 100V
C18
10000U 100V
D3
KBPC036-06
C16
47N 250V
C7
47N 250V
C6
47N 250V
C2
47N 250V
F4
5A T
F2
5A T
+VB
-VB
1
2
3
CN3
C19
10000U 100V
C28
10000U 100V
1
2
3
4
5
6
CN7
D8
1N4007
D9
1N4007
1
2
3
CN2
D2
W02M
C12
2200U
C5
2200U
C15
47U
C11
47U
C13
47N
C9
47N
C14
47N
C10
47N
Vin
1
GND
2
+12V
3
IC2
MC7812
Vin
2
GND
1
-12V
3
IC1
MC7912
+12V
-12V
1
2
CN4
R18
22K
R15
330E
R17
4K7
R4
47K
R14
10K
R10
100K
R8
220K
R9
1K
R1
33K
R11
10K
R2
33K
R3
47K
C22
47U
C21
100U
D5
1N4007
D4
1N4007
D7
1N4148
D6
5V1 0.5W
TR5
BC327
TR1
BC327
TR2
BC337
TR4
BC337
TR3
BC337
RL2
RL1
+12V
1
2
CN6
-12V
R7
10E 2W
R6
10E 2W
R16
5E6 2W
R13
10E 2W
R12
10E 2W
R5
5E6 2W
C24
100N 100V
C23
100N 100V
L2
100uH
L1
100uH
+12V
OUT_R
OUT_L
GND_R
GND_L
PROEL S.p.A.

Related product manuals