EasyManua.ls Logo

ProForm 1000 S Treadmill - Page 28

ProForm 1000 S Treadmill
30 pages
Print Icon
To Next Page IconTo Next Page
To Next Page IconTo Next Page
To Previous Page IconTo Previous Page
To Previous Page IconTo Previous Page
Loading...
56
9
10
15
13
10
33
44
89
18
22
24
17
76
32
29
103
32
29
13
31
9
10
12
7
57
66
42
42
66
84
41
84
84
53
63
109
64
111
79
110
13
115
99
100
7
57
4
4
48
48
54
1
21
21
21
21
55
11
6
58
43
27
43
27
27
43
78
78
19
45
40
19
8
46
40
44
28
1
21
21
21
21
14
15
10
13
43
27
112
90
23
23
68
5
75
107
53
84
84
30
74
38
37
44
44
7
4
78
7
4
78
16
102
20
52
20
52
83
117
117
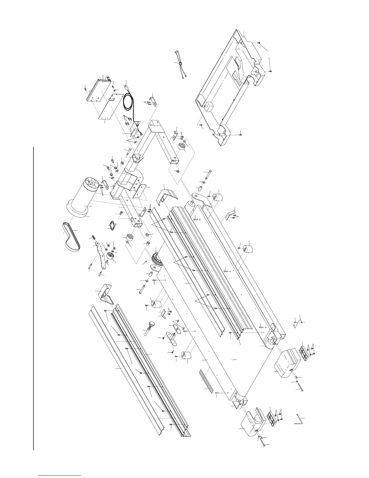
EXPLODED DRAWING—Model No. PFTL93105.0 R0106A

Related product manuals