EasyManua.ls Logo

ProForm 590t Treadmill - Page 30

ProForm 590t Treadmill
32 pages
Print Icon
To Next Page IconTo Next Page
To Next Page IconTo Next Page
To Previous Page IconTo Previous Page
To Previous Page IconTo Previous Page
Loading...
90
5
90
5
90
5
96
96
8
7
11
7
11
27
35
89
89
85
95
92
88
91
92
14
94
90
5
94
25
26
35
35
97
98
87
10
10
8
93
14
87
86
83
82
81
81
80
38
3
8
1
1
3
3
4
4
13
13
9
9
27
35
84
30
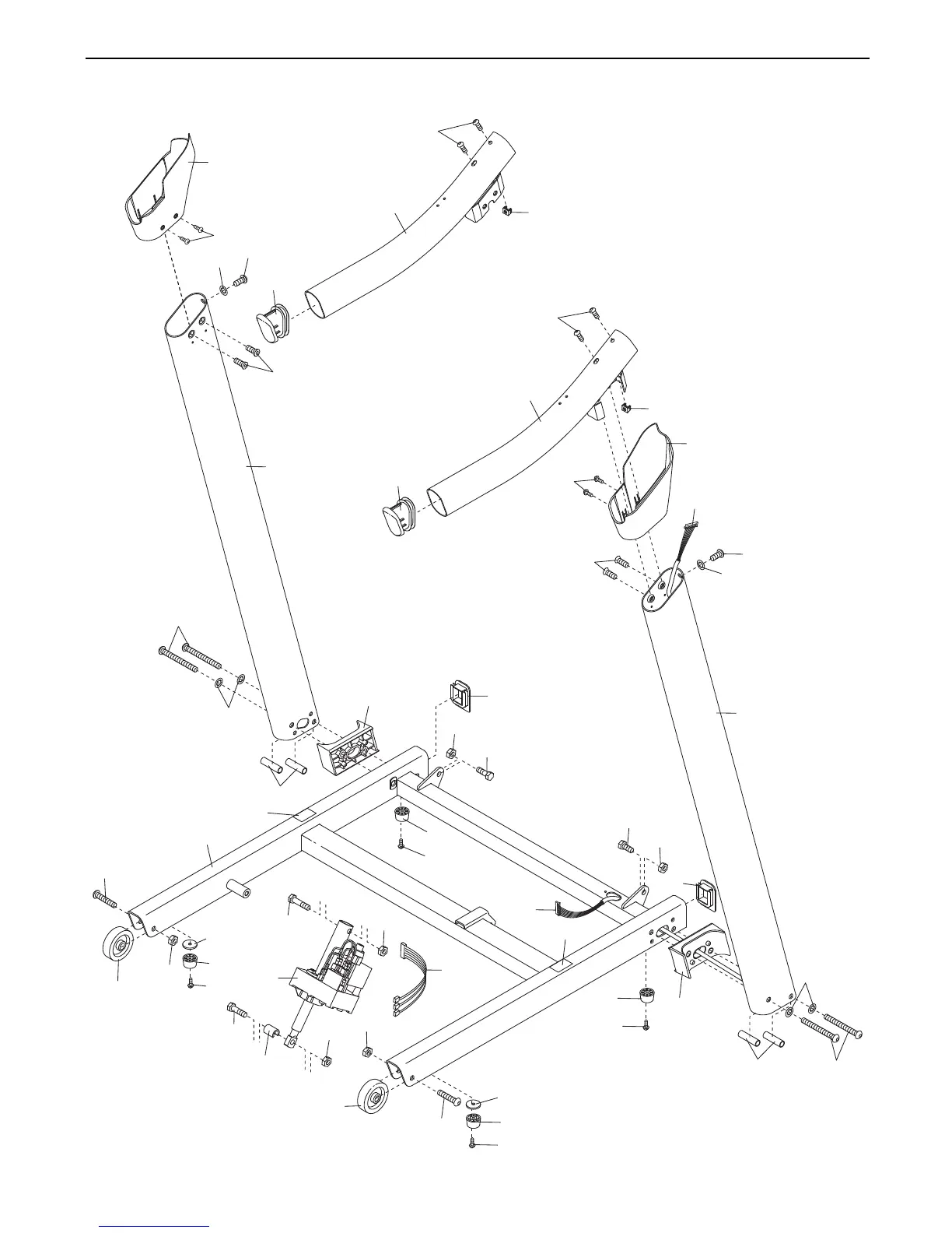
EXPLODED DRAWING C Model No. PFTL60009.2 R0311A

Related product manuals