EasyManua.ls Logo

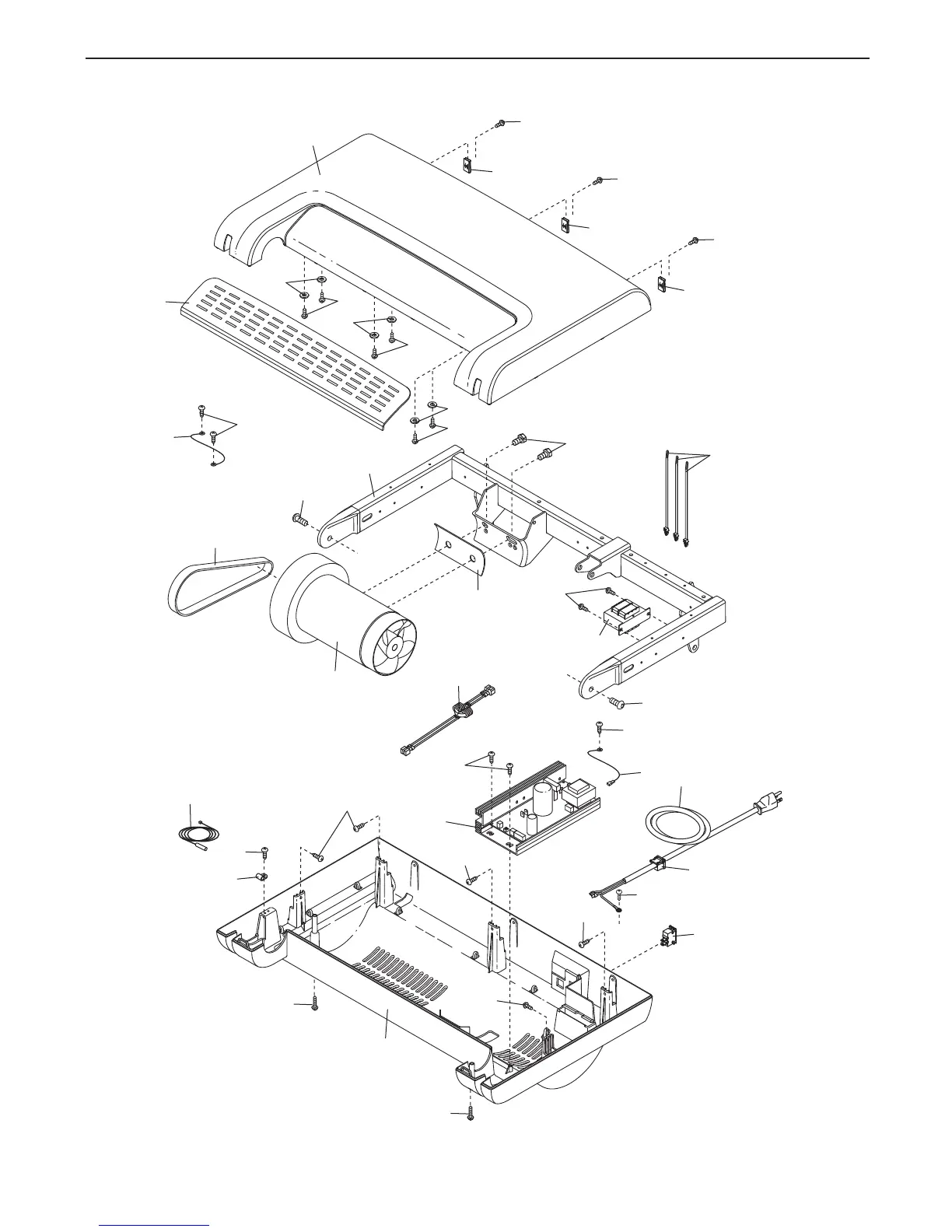
ProForm 760 Crosstrainer Treadmill - Exploded Drawing B

ProForm 760 Crosstrainer Treadmill
36 pages
Print Icon
To Next Page IconTo Next Page
To Next Page IconTo Next Page
To Previous Page IconTo Previous Page
To Previous Page IconTo Previous Page
Loading...
11
11
11
11
72
15
71
37
37
37
12
12
1
2
1
24
24
68
69
28
24
67
6
1
66
73
70
103
39
19
19
26
64
63
62
65
32
24
105
105
47
1
1
27
1
27
27
EXPLODED DRAWING B—Model No. PFTL79707.0 R
0408A
33

Related product manuals