EasyManua.ls Logo

ProForm 860qt - EXPLODED DRAWING OF TREADMILL PARTS; Visual Part Breakdown with Key Numbers

ProForm 860qt
30 pages
Print Icon
To Next Page IconTo Next Page
To Next Page IconTo Next Page
To Previous Page IconTo Previous Page
To Previous Page IconTo Previous Page
Loading...
108
92
107
106
105
108
92
107
106
105
9
31
34
33
32
35
35
43
34
35
35
9
9
103
9
82
71
1
37
24
18
22
21
20
4
3
8
79
99
91
97
45
96
33
33
94
57
87
93
91
92
33
33
88
80
45
86
24
84
83
24
81
73
74
33
72
70
78
77
75
76
70
75
69
72
33
73
37
35
56
3
55
58
44
35
67
66
65
62
37
61
68
37
35
37
52
3
60
59
3
56
55
58
44
35
53
35
44
35
64
33
33
33
33
33
33
38
39
40
30
37
37
33
33
41
42
37
33
35
44
19
3
35
44
35
44
53
35
63
63
47
49
48
49
37
37
37
74
98
16
17
15
5*
6
7
14
3
12
11
3
8
10
12
3
33
24
24
85
85
85
25
26
23
27
29
28
95
46
50
51
54
54
71
90
89
36
92
57
85
100*
100*
101
2
102
104
104
104
104
104
104
104
104
104
44
44
13
13
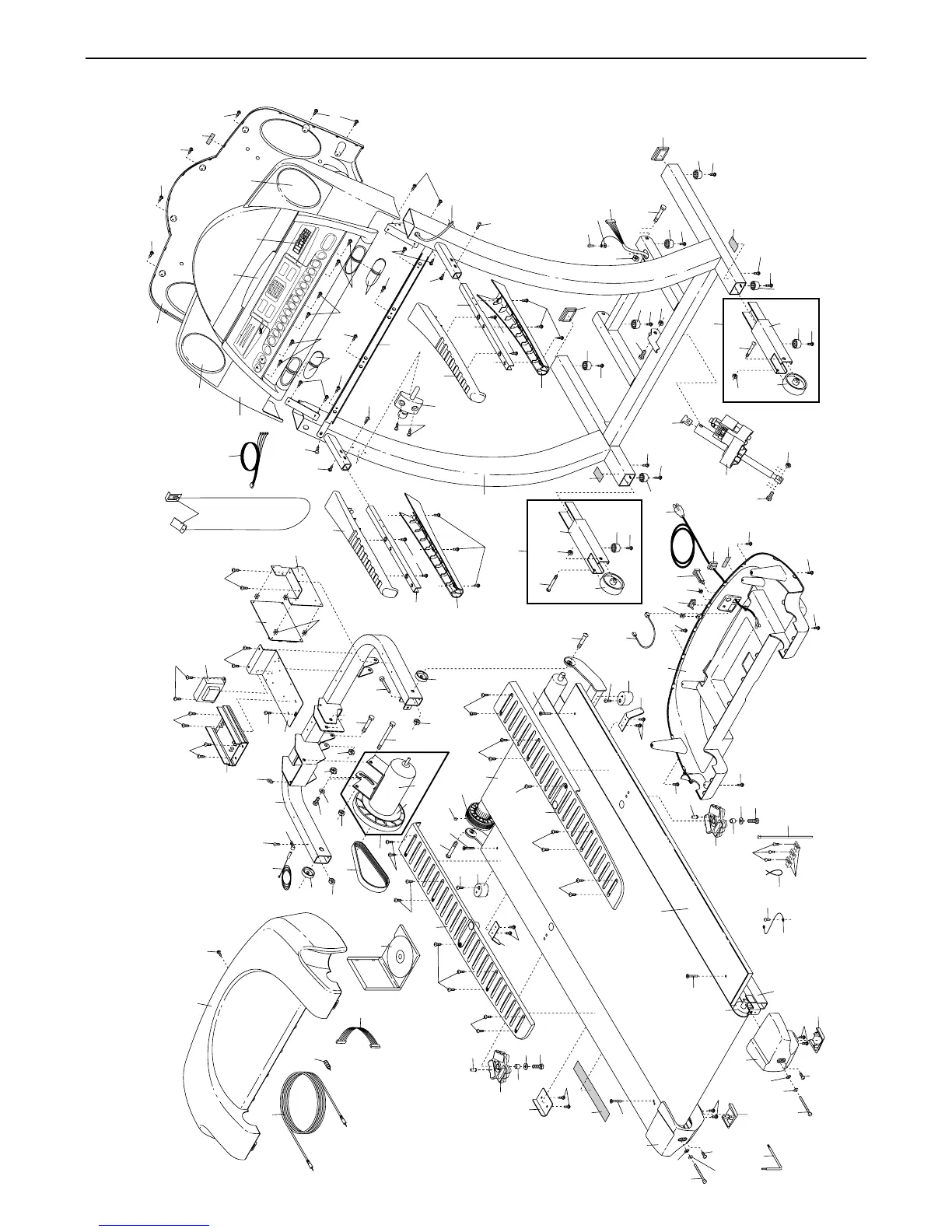
EXPLODED DRAWING—Model No. 831.299581 R0602A

Related product manuals