EasyManua.ls Logo

ProForm PFTL10110 - Page 18

ProForm PFTL10110
19 pages
Print Icon
To Next Page IconTo Next Page
To Next Page IconTo Next Page
To Previous Page IconTo Previous Page
To Previous Page IconTo Previous Page
Loading...
22
65
48
25
24
56
25
13
76
78
13
42
25
77
40
25
40
25
59
9
8
85*
2
46
10*
34
12
38
20*
21
25
27
19
18
31
30
29
33
43
36
38
44
37
45
50
15
48
48
39
51
11
23
81
25
58
70
53
36
37
38
40
33
33
33
60
33
33
26
73
61
63
64
70
47
53
34
69
68
67
48
5
5
74
84
83
39
83
39
66
7
40
57
28
62
16
38
38
75
13
13
13
13
4
13
13
55
54
71
80
25
25
33
71
13
61
81
66
49
73
49
14
35
3
52
82
38
77
52
79
3
38
17
6
31
32
38
72
39
53
1
41
1
41
53
49
73
73
49
73
62
85*
86
79
87
39
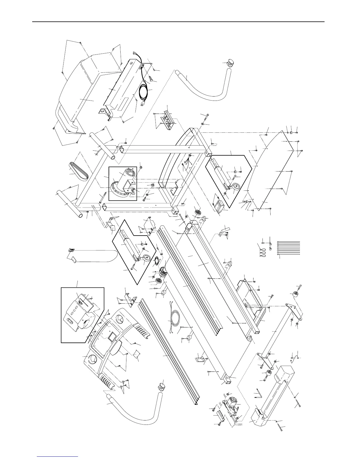
EXPLODED DRAWING—Model No. PFTL10110 R0301A

Related product manuals