EasyManua.ls Logo

ProForm PFTL591040 - Page 33

ProForm PFTL591040
34 pages
Print Icon
To Next Page IconTo Next Page
To Next Page IconTo Next Page
To Previous Page IconTo Previous Page
To Previous Page IconTo Previous Page
Loading...
131
93
117
116
120
108
115
106
33
113
113
112
107
33
112
84
33
81
100
98
99
82
33
33
80
76
78
77
76
102
101
75
33
97
33
33
33
103
33
33
33
33
52
79
79
33
33
33
33
33
33
105
104
118
121
114
93
117
114
119
111
126
126
125
130
45
126
125
126
125
124
128
118
129
132
133
132
133
137
138
143
144
142
127
136
135
134
126
134
135
136
121
96
95
96
95
94
92
91
89
90
83
85
86
87
84
88
83
43
86
85
88
91
92
94
93
93
123
122
122
123
122
122
33
44
13
87
89
90
110
109
124
125
128
45
141
45
139
140
149
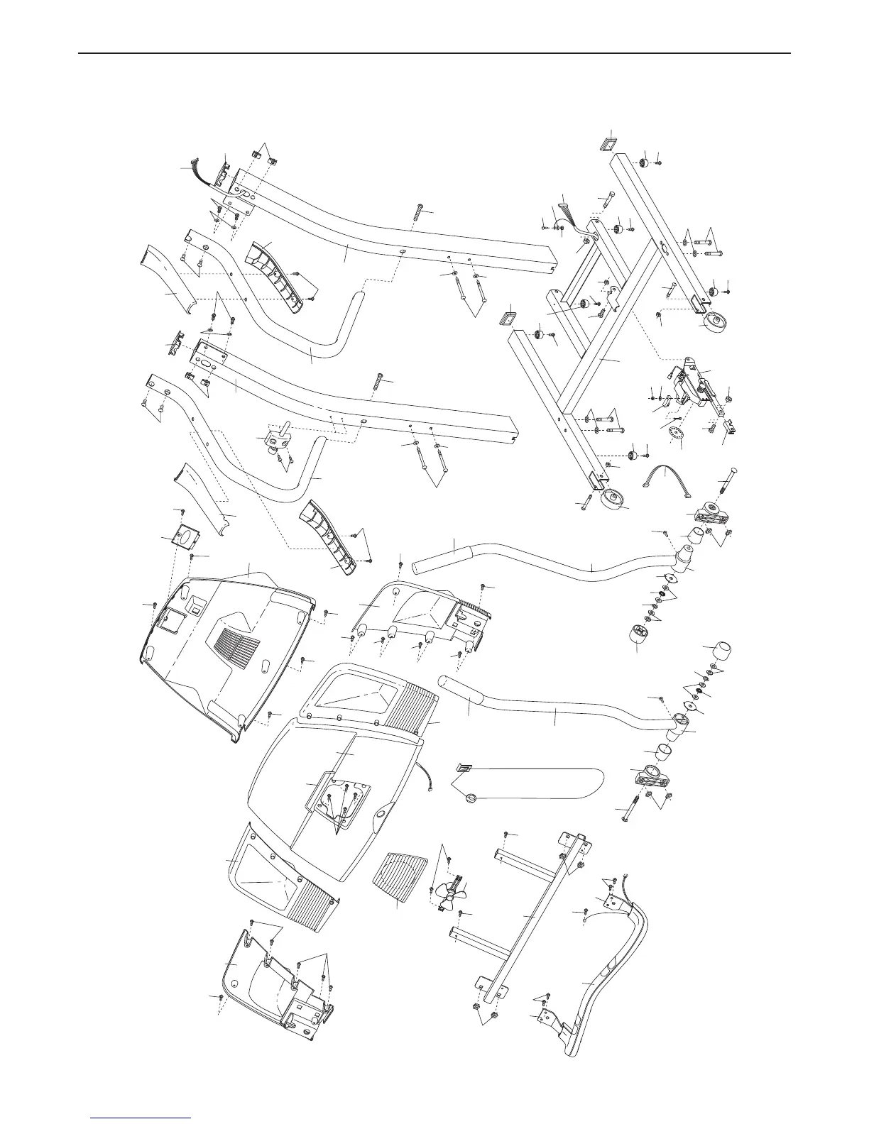
EXPLODED DRAWING—Model No. PFTL591040 R0105A

Related product manuals