EasyManua.ls Logo

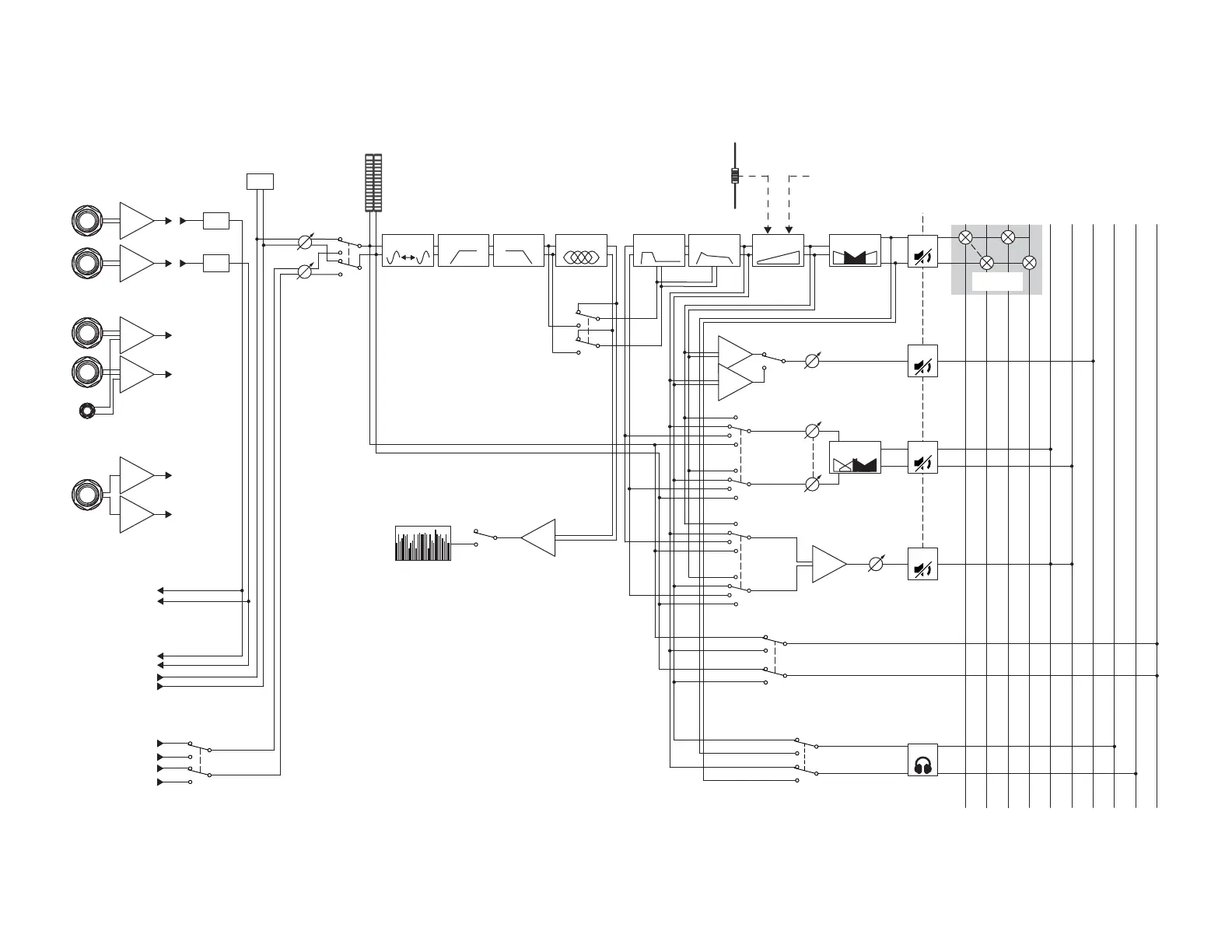
QSC TouchMix-16 - Stereo Input Channels

QSC TouchMix-16
146 pages
Print Icon
To Next Page IconTo Next Page
To Next Page IconTo Next Page
To Previous Page IconTo Previous Page
To Previous Page IconTo Previous Page
Loading...
127
1001108-01-F
Main Outputs
L R
Cue
L R
Aux (Odd)
To Multi-Track
FX
Sub-Groups (odd) *
Sub-Groups (even) *
Aux (Even)
Meter
Ch Fader
Pre
Post
From DCA Masters
Digital
Gain
Pre
Post
Detector In
DAW*
Post Fdr
Pre Fdr
Pre Dyn
Pre all
Pre
Post
Patch Matrix*
Mute
Logic
Over
TouchMix-30: Ch 25 - 28
FX Send
Level
Record Pick-Off
(Global)
* TouchMix-30 only
Aux Send (Stereo)
Level
RTA
Assign
A/D
A/D
Top Panel Jack
SUM
SUM
Post Fdr
Pre Fdr
Pre Dyn
Pre all
SUM
TouchMix-30: Ch 29 & 30
TouchMix-16: Ch 17/18, 19/20
TouchMix-8: Ch 9/10, 11/12
SUM
Pre
Post
Aux Send (Mono)
Level
Input
Digital
DAW*
USB Drive
USB Drive
Recording Mode*
USB Drive
DAW*
Delay Low Cut High Cut PEQ
Gain
GainGate Comp
Mute
Balance
Width
Mute
Mute
Mute
Cue
To DAW*
Stereo Input Channels

Table of Contents

Other manuals for QSC TouchMix-16

Related product manuals