EasyManua.ls Logo

Quadra-Fire 4300 - Section 3: Dimensions & Clearances; Appliance Dimensions

Quadra-Fire 4300
52 pages
Print Icon
To Next Page IconTo Next Page
To Next Page IconTo Next Page
To Previous Page IconTo Previous Page
To Previous Page IconTo Previous Page
Loading...
August 3, 2015
7037-135L
Page 9
4300 Wood Stove Series (ACC)
3
Dimensions and Clearances
A. Appliance Dimensions
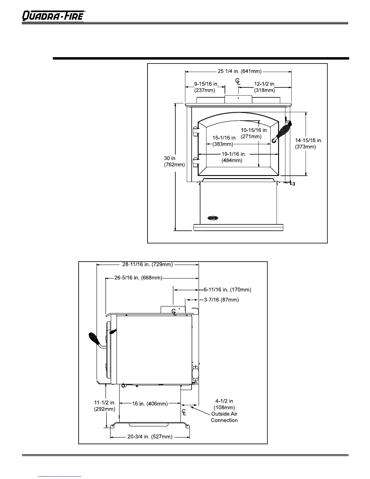
Figure 9.1 Front View
Figure 9.2 Side View
NOTE: Flue Collar size is 6 inch
(152mm) diameter (ID)
Millennium Model

Table of Contents

Related product manuals