EasyManua.ls Logo

Quectel BG950A-GL - Page 18

Quectel BG950A-GL
91 pages
Print Icon
To Next Page IconTo Next Page
To Next Page IconTo Next Page
To Previous Page IconTo Previous Page
To Previous Page IconTo Previous Page
Loading...
LPWA Module Series
BG950A-GL&BG951A-GL_Hardware_Design
17
/ 84
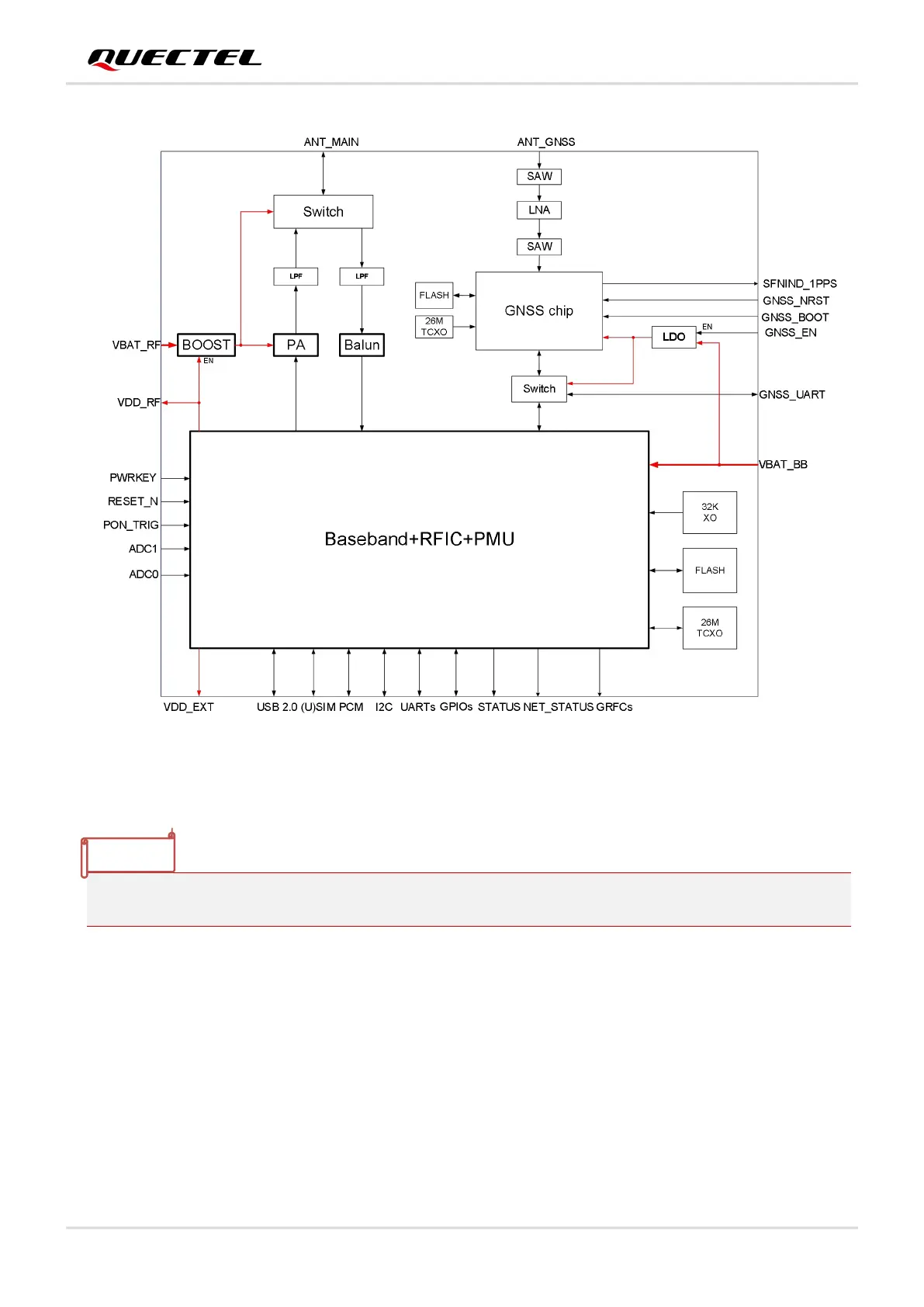
Figure 2: Functional Diagram of BG951A-GL
PCM and I2C interfaces are used for VoLTE* only.
NOTE

Table of Contents

Other manuals for Quectel BG950A-GL

Related product manuals