EasyManua.ls Logo

Quectel BG950A-GL - Page 42

Quectel BG950A-GL
91 pages
Print Icon
To Next Page IconTo Next Page
To Next Page IconTo Next Page
To Previous Page IconTo Previous Page
To Previous Page IconTo Previous Page
Loading...
LPWA Module Series
BG950A-GL&BG951A-GL_Hardware_Design
41
/ 84
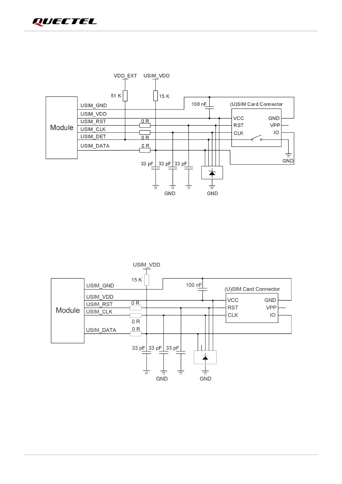
The following figure illustrates a reference design of (U)SIM interface with an 8-pin (U)SIM card
connector.
Figure 16: Reference Circuit of (U)SIM Interface with an 8-Pin (U)SIM Card Connector
If (U)SIM card detection function is not needed, keep USIM_DET unconnected. A reference circuit for
(U)SIM interface with a 6-pin (U)SIM card connector is illustrated in the following figure.
Figure 17: Reference Circuit of (U)SIM Interface with a 6-Pin (U)SIM Card Connector
To enhance the reliability and availability of the (U)SIM card in applications, follow the criteria below in the
(U)SIM circuit design:

Table of Contents

Other manuals for Quectel BG950A-GL

Related product manuals