EasyManua.ls Logo

Quick BTQ110 series - Schema DI Collegamento

Quick BTQ110 series
Print Icon
To Next Page IconTo Next Page
To Next Page IconTo Next Page
To Previous Page IconTo Previous Page
To Previous Page IconTo Previous Page
Loading...
10
IT
BOW THRUSTER BTQ110-125 IT EN - REV002A
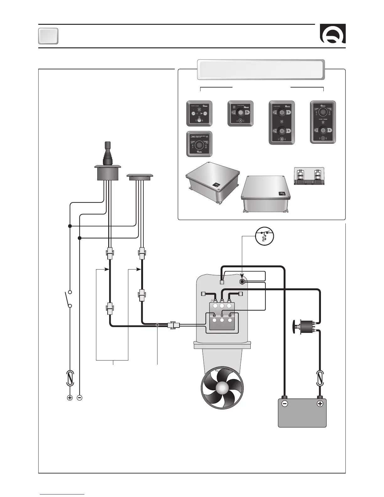
M1
A
S
SX
+
DX
-
M2
A
MOTORE
BATTERIA
12/24V
STACCABATTERIA
NERO
FUSIBILE
RAPIDO 4A
FUSIBILE
VEDI TABELLA
A PAG.4
INTERRUTTORE
ROSSO
NERO
ROSSO
ALLA BATTERIA
SERVIZI
SDOPPIATORE
(OPZIONALE)
PROLUNGHE
(OPZIONALI)
*
*
**
TCD 1042 TCD 1022
SISTEMA BASE
BTQ110
SCHEMA DI COLLEGAMENTO
PANNELLI DI COMANDO
ACCESSORI QUICK
®
PER L’AZIONAMENTO
DELL’ELICA DI MANOVRA
STERN
BOW
COMANDO
INTERRUTTURE
DI LINEA TSC
INTERRUTTORE
BATTERIE
PARALLELO- SERIE PSS
PORTAFUSIBILI TFH3
INTERRUTTORE
DI LINEA TMS
TCD 1022 TCD 1042 TCD 1044 TCD 1062
PROTEZIONE
TERMICA
*
NEGATIVO DEI GRUPPI BATTERIA IN COMUNE.
*
*
ATTENZIONE: IN CASO DI SOVRATEMPERATURA LA PROTEZIONE TERMICA SUL MOTORE SI APRIRÀ E INTERROMPERÀ IL CONTATTO NEGATIVO SUL
TELERUTTORE. ATTENDERE IL TEMPO NECESSARIO ALLA RIATTIVAZIONE.

Related product manuals