EasyManua.ls Logo

Quick BTQ110 series - Connection Diagram; Basic System

Quick BTQ110 series
Print Icon
To Next Page IconTo Next Page
To Next Page IconTo Next Page
To Previous Page IconTo Previous Page
To Previous Page IconTo Previous Page
Loading...
22
EN
BOW THRUSTER BTQ110-125 IT EN - REV002A
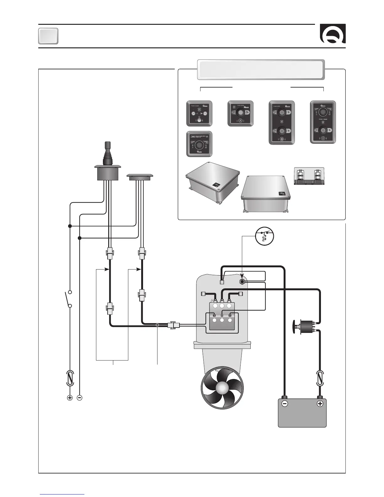
CONNECTION DIAGRAM
M1
A
S
SX
+
DX
-
M2
A
MOTOR
BATTERY
12/24V
BATTERY ISOLATOR
BLACK
FUSE
4A FAST
FUSE
SEE TABLE
ON PAGE 16
SWITCH
RED
BLACK
RED
TO THE SERVICES
BATTERY
SPLITTER
(OPTIONAL)
CONTROL CABLE
EXTENSIONS
(OPTIONALS)
*
*
**
TCD 1042 TCD 1022
BASIC SYSTEM
BTQ110
CONTROL PANELS
QUICK
®
ACCESSORIES FOR ACTIVATION
OF THE BOW THRUSTER
STERN
BOW
TSC MAIN SWITCH
COMMAND
PSS PARALLEL-SERIES
BATTERY SWITCH
FUSEHOLDER TFH3
TMS THRUSTER
MAIN SWITCH
TCD 1022 TCD 1042 TCD 1044 TCD 1062
THERMIC
PROTECTION
* COMMON NEGATIVE FOR THE BATTERY GROUPS.
** WARNING: IN CASE OF OVERTEMPERATURE, THE THERMAL PROTECTION ON THE MOTOR WILL OPEN AND INTERRUPT THE NEGATIVE CONTACT ON THE
SOLENOID UNIT. WAIT AS LONG AS THE SYSTEM NEEDS TO REACTIVATE.

Related product manuals