EasyManua.ls Logo

Quick BTQ110 series - Page 30

Quick BTQ110 series
Print Icon
To Next Page IconTo Next Page
To Next Page IconTo Next Page
To Previous Page IconTo Previous Page
To Previous Page IconTo Previous Page
Loading...
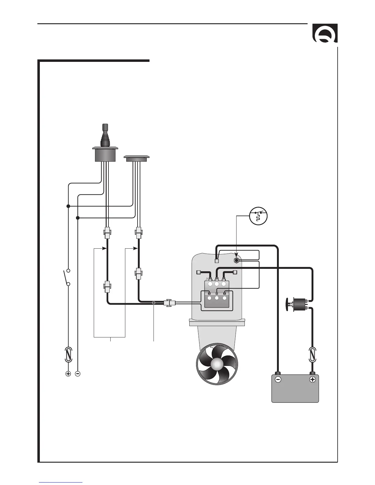
BOW THRUSTERS
SISTEMA BASE / BASIC SYSTEM
M1
A
S
SX
+
DX
-
M2
A
MOTOR
BATTERY
12/24V
BATTERY ISOLATOR
BLACK
FUSE
4A FAST
FUSE
SEE TABLE
ON PAGE 16
SWITCH
RED
BLACK
RED
TO THE SERVICES
BATTERY
SPLITTER
(OPTIONAL)
CONTROL CABLE
EXTENSIONS
(OPTIONALS)
*
*
**
TCD 1042 TCD 1022
BASIC SYSTEM
BTQ110
THERMIC
PROTECTION
* NEGATIVO DEI GRUPPI BATTERIA IN COMUNE.
* COMMON NEGATIVE FOR THE BATTERY GROUPS.
** ATTENZIONE: IN CASO DI SOVRATEMPERATURA LA PROTEZIONE TERMICA SUL MOTORE SI APRIRÀ E INTERROMPERÀ IL CONTATTO NEGATIVO SUL
TELERUTTORE. ATTENDERE IL TEMPO NECESSARIO ALLA RIATTIVAZIONE.
** WARNING: IN CASE OF OVERTEMPERATURE, THE THERMAL PROTECTION ON THE MOTOR WILL OPEN AND INTERRUPT THE NEGATIVE CONTACT ON THE
SOLENOID UNIT. WAIT AS LONG AS THE SYSTEM NEEDS TO REACTIVATE.

Related product manuals