EasyManua.ls Logo

Quick BTR Series - Page 24

Quick BTR Series
32 pages
Print Icon
To Next Page IconTo Next Page
To Next Page IconTo Next Page
To Previous Page IconTo Previous Page
To Previous Page IconTo Previous Page
Loading...
BTR Series
EN
QUICK BTR Series INSTALLATION AND USER’S MANUAL - REV 001C
24
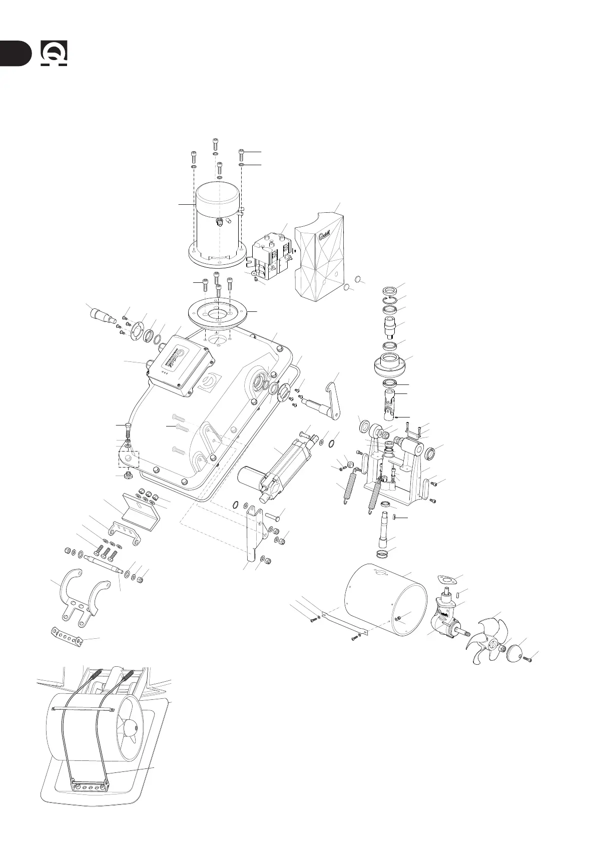
12 - List of components
12.0 - BTR 140
1
2
3
4
1
9
10
11
12
13
15
16
17
18
2
19
21
20
23
22
23
24
20
23
25
28
26
27
14
12
11
29
75
76
30
23
31
32
33
20
34
23
35
36
37
38
37
59
59
39
33
40
41
42
43
45
46
47
48
44
44
49
51
50
54
52
56
57
58
53
61
55
60
60
60
62
72
66
68
69
70
67
71
74
73
63
64
65
65
13
5
6
14
7
8
8
75

Related product manuals