EasyManua.ls Logo

Quietside DPW-099 - Page 72

Quietside DPW-099
80 pages
Print Icon
To Next Page IconTo Next Page
To Next Page IconTo Next Page
To Previous Page IconTo Previous Page
To Previous Page IconTo Previous Page
Loading...
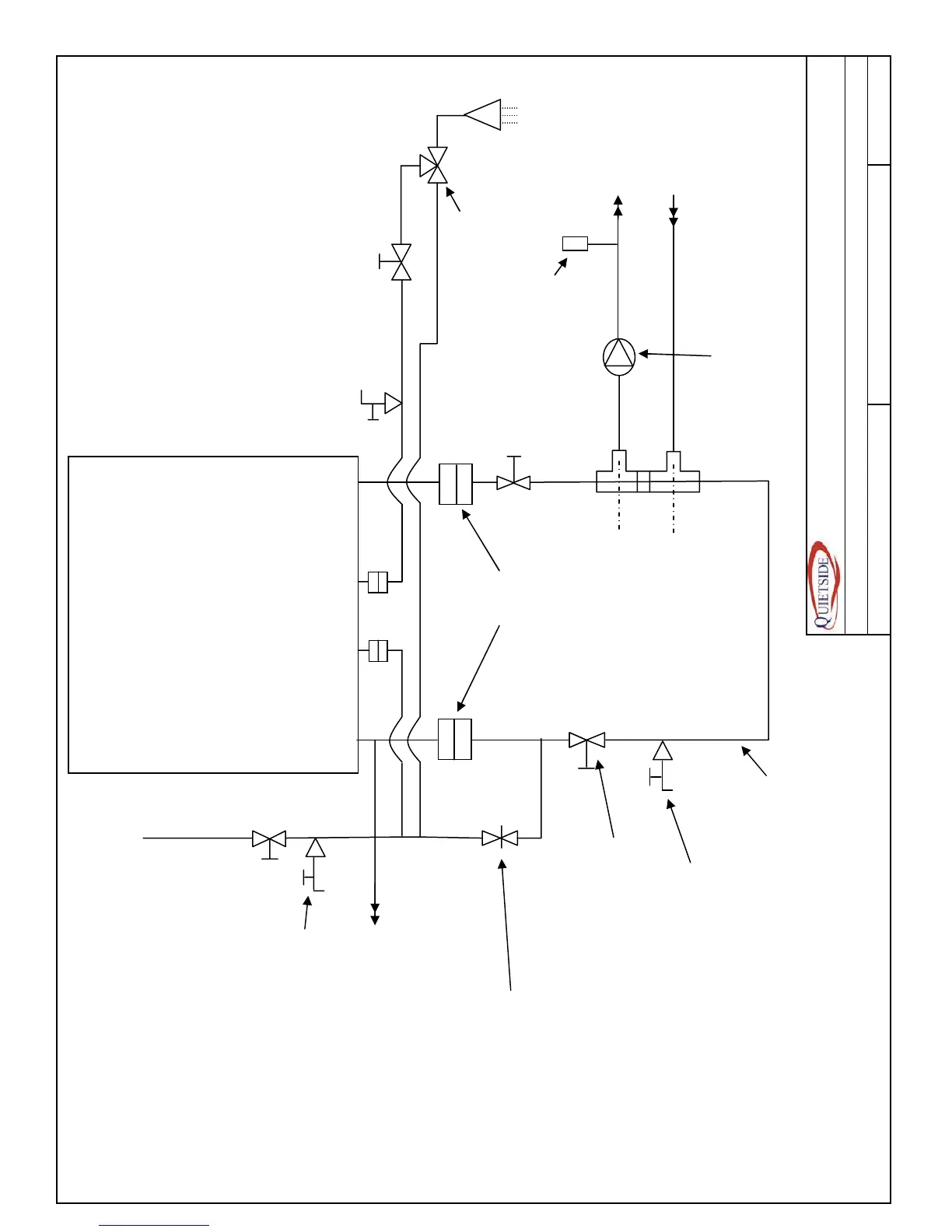
Cold Water Supply Notes :
from House to 1/2" When brazing always wrap valves, drains
male connection on etc with a wet rag to prevent damage
DPW
Use 1/2" Unions Check system design for requirement for
additional expansion tank on closed loop system
Shut Off Valves to isolate
both Inlet and Supply of Boiler drain installed on Primary Loop
DHW system from DPW should be below DPW Isolation valve to allow
closed loop system to be filled with DPW
"Boiler Drains" to allow isolated from the closed loop to protect unit
maintenance of the DHW A Drain can also be installed on return piping above
Plate Heat Exchanger shut off valve to drain the unit or Pressure Relief
valve on the unit can be used provide a drain
Pressure Relief Valve
(Factory Supplied)
Pipe to building drain
(See local codes)
Anti Scald Valve
Boiler Feed Valve with MANDATOR
Y
Backflow prevention 3/4" Unions to connect Set for Maximum
See local codes to 3/4" Male Supply and Return of 120DegF House
connections on DPW Air Vent at Hot Water
highest point Supply
Shut Off Valves to isolate Supply to Heating
both Supply & Return 2 x 1 1/4" x 1 1/4" x 3/4" Tees zones
Space max of 4 Pipe Dia's (No detail shown)
apart on tee centerline Return from Heating
zones
"Boiler Drain" - see notes (No detail shown)
System Circulation Pump
Field Installed
Use 1 1/4"
pipe diameter
for heating
8750 Pioneer Blvd, Santa Fe Springs CA 90670
primary loop Tel : 562 699 6066, Fax : 562 699 4351, Web : www.Quietside.com
Title : DPW Recommended Piping Layout, Heating & DHW
Drg # : QUI-DPWP-001 Drawn : JLM 8/26/2008 Rev : 001
DPW UNIT
Closed
Loop
Supply
Closed
Loop
Return
DHW
Hot Out
DHW
Cold In
72

Table of Contents

Related product manuals