EasyManua.ls Logo

Quietside DPW-099 - Page 73

Quietside DPW-099
80 pages
Print Icon
To Next Page IconTo Next Page
To Next Page IconTo Next Page
To Previous Page IconTo Previous Page
To Previous Page IconTo Previous Page
Loading...
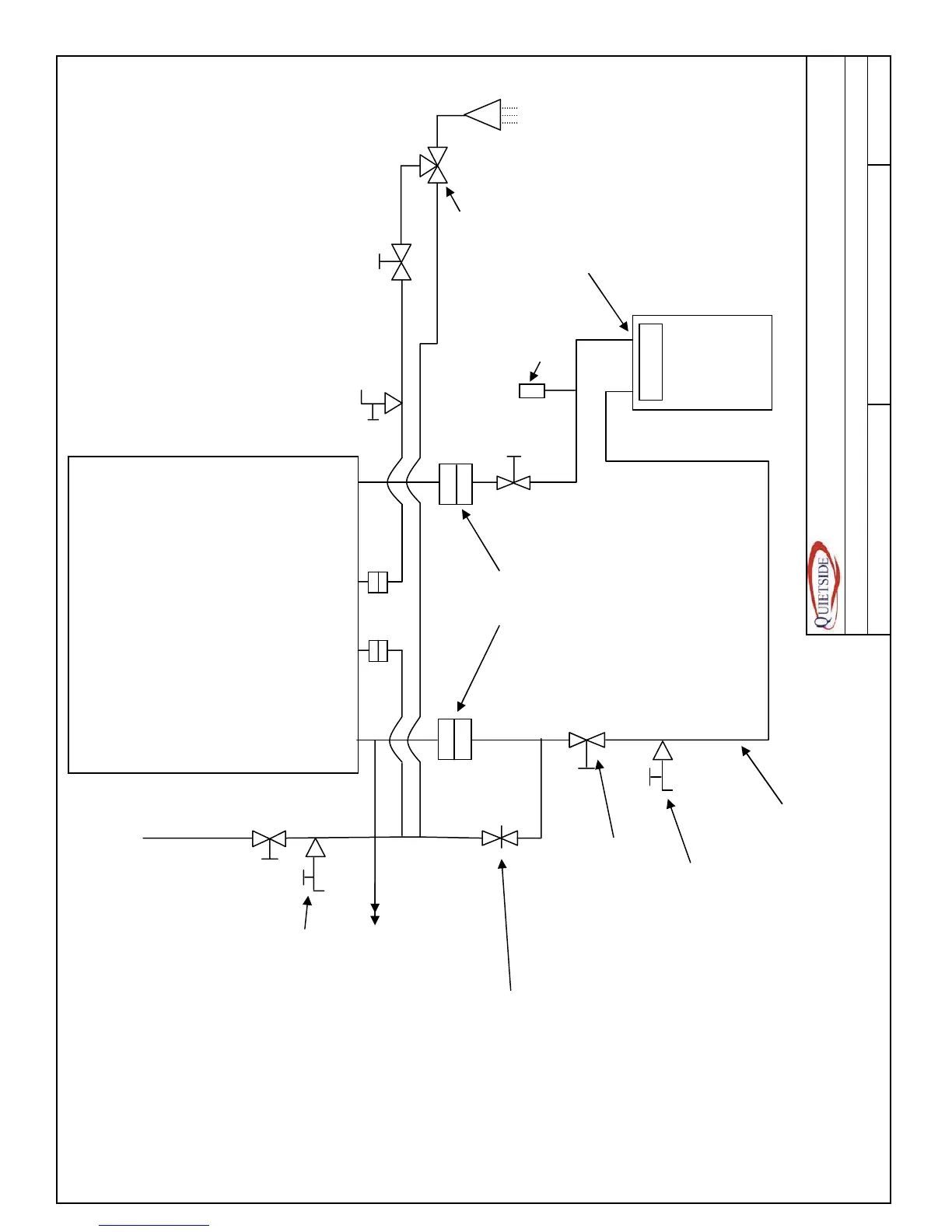
Cold Water Supply Notes :
from House to 1/2" When brazing always wrap valves, drains
male connection on etc with a wet rag to prevent damage
DPW
Use 1/2" Unions Boiler drain installed on piping
should be below DPW Isolation valve to allow
Shut Off Valves to isolate closed loop system to be filled with DPW
both Inlet and Supply of isolated from the closed loop to protect unit
DHW system from DPW
A Drain can also be installed on return piping above
"Boiler Drains" to allow shut off valve to drain the unit or Pressure Relief
maintenance of the DHW valve on the unit can be used provide a drain
Plate Heat Exchanger
Pressure Relief Valve
(Factory Supplied)
Pipe to building drain
(See local codes)
Anti Scald Valve
Boiler Feed Valve with MANDATOR
Y
Backflow prevention 3/4" Unions to connect Set for Maximum
See local codes to 3/4" Male Supply and Return of 120DegF House
connections on DPW Air Vent at Hot Water
highest point Supply
Coil Inlet
Shut Off Valves to isolate
both Supply & Return System is designed for the
Air Handler to be located no
more than 10ft from the DPW
and no more than 5ft above
"Boiler Drain" - see notes or below the DPW
Air Handler should not have
it's own circulator installed
Disconnect pump if installed
Use max ø1" pipe for Supply
& Return to AHU. Max total pipe
8750 Pioneer Blvd, Santa Fe Springs CA 90670
length (Supply & Return) 20ft Tel : 562 699 6066, Fax : 562 699 4351, Web : www.Quietside.com
Title : DPW Recommended Piping Layout, AHU (No Pump) & DHW
Drg # : QUI-DPWP-002 Drawn : JLM 8/26/2008 Rev : 001
DPW UNIT
Closed
Loop
Supply
Closed
Loop
Return
DHW
Hot Out
DHW
Cold In
AHU
Unit
HW Coil
73

Table of Contents

Related product manuals