EasyManua.ls Logo

Quietside DPW-099 - Page 74

Quietside DPW-099
80 pages
Print Icon
To Next Page IconTo Next Page
To Next Page IconTo Next Page
To Previous Page IconTo Previous Page
To Previous Page IconTo Previous Page
Loading...
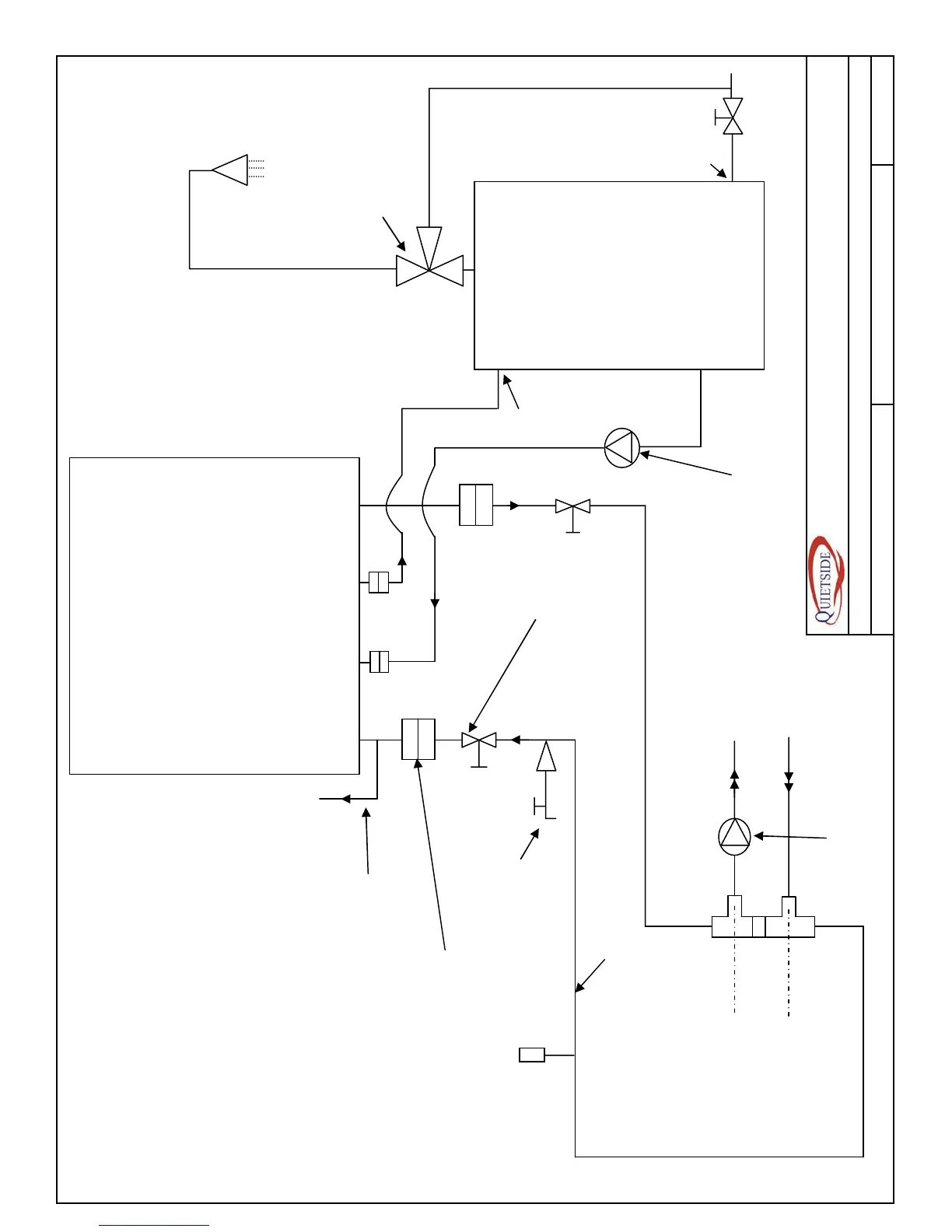
Closed Loop Heating System Notes : QSDHS DHW System Notes :
When brazing always wrap valves, drains Tank system also includes Tank Drain and
etc with a wet rag to prevent damage P/R Valve (supplied loose)
These should be installed and piped in
Check system design for requirement for accordance with local codes
additional expansion tank on closed loop system
Boiler drain installed on Supply to closed loop
should be below DPW Isolation valve to allow
closed loop system to be filled with DPW House
isolated from the closed loop to protect unit Hot Water
A Drain can also be installed on return piping above Supply
shut off valve to drain the unit or Pressure Relief
valve on the unit can be used provide a drain
DPW DHW Inlet & Anti Scald Valve
Pressure Relief Valve Outlet connection MANDATOR
Y
Pipe to building drain sizes are 1/2" Supplied with QSDHS
(See local codes) Max Setting 120DegF
From ø3/4" NPT Connection
3/4" Unions to connect DPW DHW
to 3/4" Male Supply and Return To DPW Outlet
connections on DPW DHW Inlet
Air Vent at "Boiler Drain" - see notes
highest point ø3/4"NPT
Shut Off Valves to
isolate DPW
from Air Handler
Use ø1 1/4" pipe
for Primary Loop
ø3/4"NPT
ø1" NPT
Supply to Heating
zones Taco 008 Bronze Pump
(No detail shown) c/w IFC and Shut offs Cold Water Inlet
Return from Heating Supplied with QSDHS from House supply
zones
(No detail shown)
8750 Pioneer Blvd, Santa Fe Springs CA 90670
Secondary or Zone Pump Tel : 562 699 6066, Fax : 562 699 4351, Web : www.Quietside.com
Title : DPW Piping, Primary Loop Htg c/w QSDHS DHW Storage
Drg # : QUI-DPWP-003 Drawn : JLM 9/18/2008 Rev : 001
DPW
DPWH
QSDHS
DHW STORAGE
TANK
SYSTEM
20 GAL
CAPACITY
Closed
Loop
Supply
DHW
Hot Out
DHW
Cold In
Closed
Loop
Return
74

Table of Contents

Related product manuals