EasyManua.ls Logo

Ranger DST30P - Components on the Back of the Balancer

Ranger DST30P
60 pages
Print Icon
To Next Page IconTo Next Page
To Next Page IconTo Next Page
To Previous Page IconTo Previous Page
To Previous Page IconTo Previous Page
Loading...
DST30P Wheel Balancer 14 P/N 5900163 Rev. C1 — March 2020
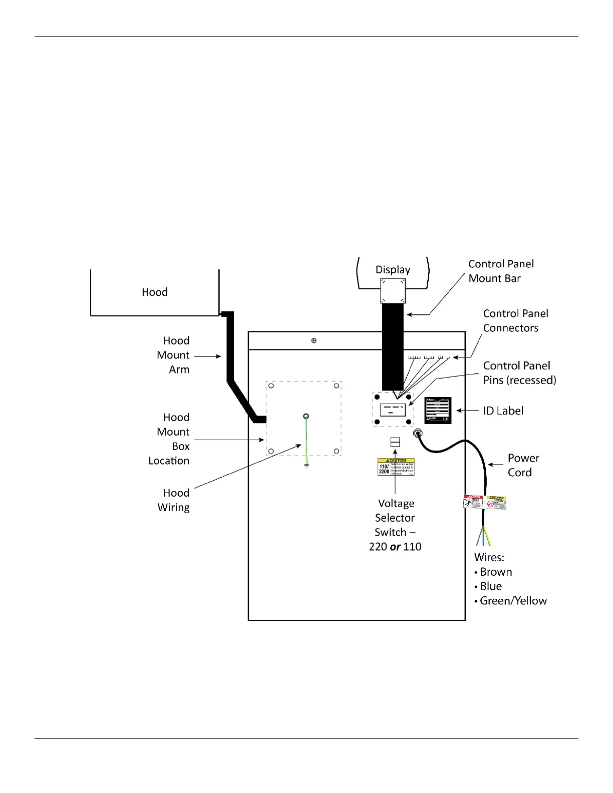
Components on the Back of the Balancer
The Balancer has multiple components on the back that need to be installed and connected.
Balancer components on the back include:
Control Panel Mount Bar. Holds the Control Panel. Connects to the back of the Balancer. The
four Connectors coming out of the bottom of the Control Panel Mount Bar attach to the Control
Panel Pins that are recessed on the back of the Balancer.
Hood Mount Box. Connects to the back of the Balancer. Wiring inside the Hood Mount Box
attaches to the Hood Wiring coming out of the back of the Balancer.
Hood Mount Bar. Connects to the Hood Mount Box on one end and to the Hood on the other
end.
Hood. Connects to the Hood Mount Bar.
The following drawing shows the components on the back of the Balancer.
Not necessarily to scale. Not all components shown.

Related product manuals