EasyManua.ls Logo

Rational SelfCookingCenter SCC - Page 9

Rational SelfCookingCenter SCC
91 pages
Print Icon
To Next Page IconTo Next Page
To Next Page IconTo Next Page
To Previous Page IconTo Previous Page
To Previous Page IconTo Previous Page
Loading...
- 9 - V08 en, SCC
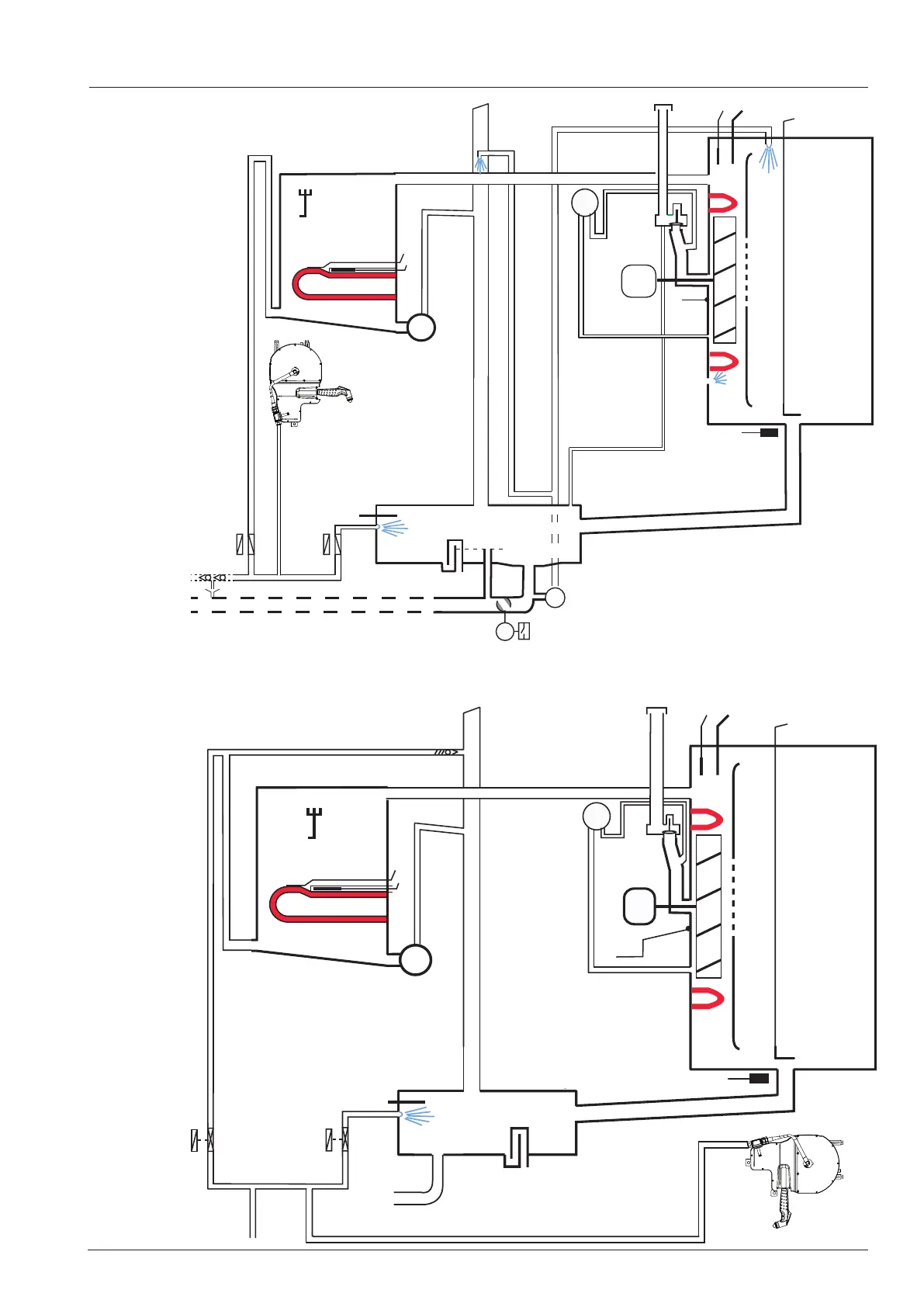
B1
B3
F4
P1
M4
Y1
Y2
B2
M1
S2
B4
B5
F3
S3
Y5
CM 61
Block diagram CM_P 60
B1
B3
F4
P1
M4
M6
B2
M1
M7
S12
B4
B5
F3
S3
Y5
Y1
S2
Y2
CM_P 60
Block diagram CM 61/101 Index I (CM_P Index H)

Table of Contents

Related product manuals