EasyManua.ls Logo

Raypak 122-322 - Page 41

Raypak 122-322
56 pages
Print Icon
To Next Page IconTo Next Page
To Next Page IconTo Next Page
To Previous Page IconTo Previous Page
To Previous Page IconTo Previous Page
Loading...
41
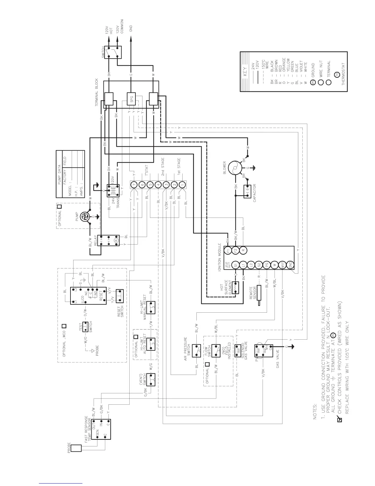
WIRE DIAGRAM MODELS 122-322
Reference Drawing Number M152564C

Related product manuals