EasyManua.ls Logo

RCF M 18 - Page 45

RCF M 18
46 pages
Print Icon
To Next Page IconTo Next Page
To Next Page IconTo Next Page
To Previous Page IconTo Previous Page
To Previous Page IconTo Previous Page
Loading...
RCF spa
M 18 Digital Mixer User’s Manual
45
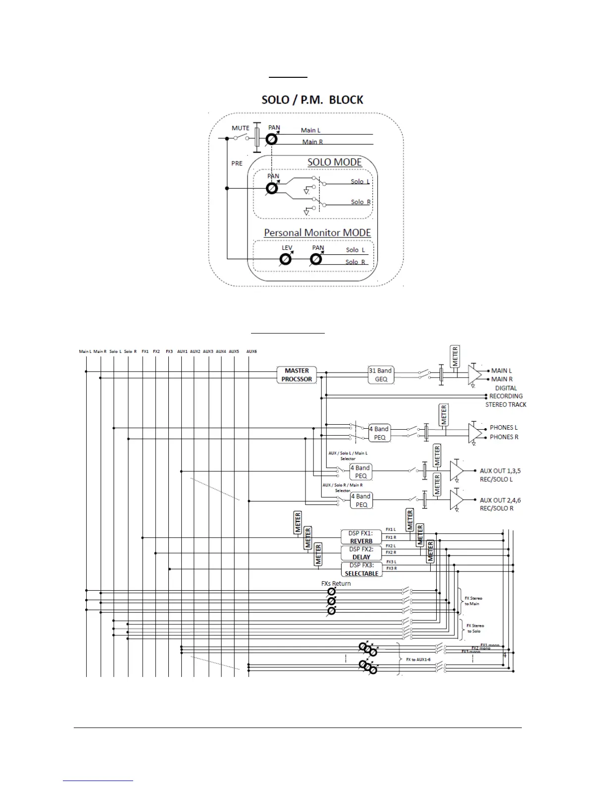
SOLO PM details
OUTPUT SECTION details

Other manuals for RCF M 18