EasyManua.ls Logo

Realistic PRO-2022 - Power Transformer Specification; Power Transformer Details

Realistic PRO-2022
64 pages
Print Icon
To Next Page IconTo Next Page
To Next Page IconTo Next Page
To Previous Page IconTo Previous Page
To Previous Page IconTo Previous Page
Loading...
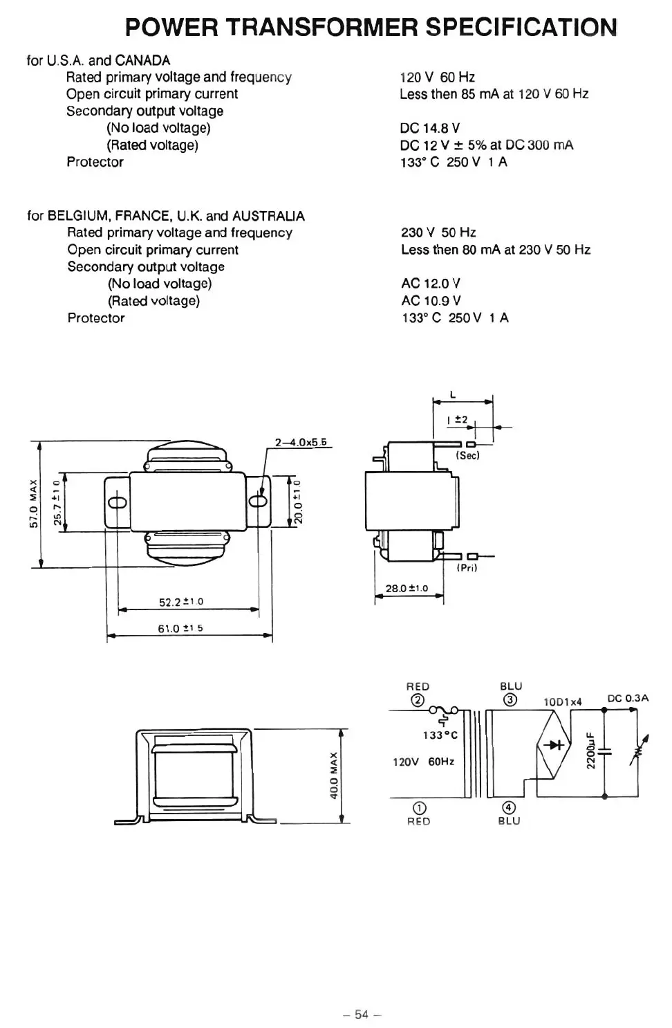
POWER TRANSFORMER SPECIFICATION
for U.S.A. and CANADA
Rated primary voltage and frequ ency
Open circuit primary current
Secondary output voltage
(No load voltage)
(Rated voltage)
Protector
for BELGIUM, FRANCE, U.K. and AUSTRALIA
Rated primary voltage and frequency
Open circuit primary current
Secondary output voltage
(No load voltage)
(Rated voltage)
Protector
2-4
.0x5 .5
(
1
I
ó
q
--
.........,
en
x
0
<t
::;
" I
Icb
Ic
0
....
,...:
ui
lt)
N
1-1-
e
'-I
\
J
52.
2=
1.0
61.0±
1.5
u
X
<t
::;
0
ei
"l"
Iii
"--
120 V 60 Hz
Less then 85 mA at 120 V 60 Hz
DC 14.8 V
DC 12 V
± 5% at DC 300 mA
133°C 250 V 1 A
230 V 50 Hz
Less then 80 mA at 230 V 50 Hz
AC 12
.0V
AC 10
.9V
133° C 250 V 1 A
0--
"'---r-:'
(Pril
28.0=
1.0
RED
BL
U
@
@
1001 x4
DC
0.3A
~
133 ° C
u.
cS
0
120V 60Hz
N
N
CD
@)
RED
BLU
- 54 -

Related product manuals